
鼎力晟业是SKF进口轴承代理商,不仅为工业配套用户提供SKF NNCF4834CV轴承,在维修市场也提供足够的支持,是SKF轴承在国内的优质经销商之一,购买SKF NNCF4834CV轴承,鼎力晟业是您放心的选择。
型号:NNCF4834CV
品牌:SKF
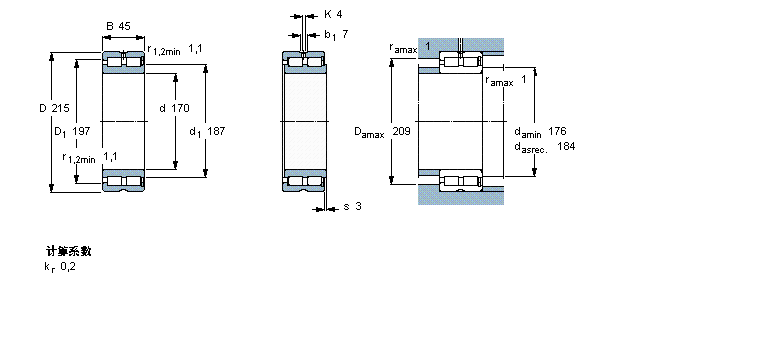
内径:170
外径:215
厚度:45
系列:圆柱滚子轴承, 双列满装滚子, 无密封件, 单方向轴向负荷的挡边
【
手机版 NNCF4834CV轴承
点击量
更新日期:2021/12/28
】
电话:020-36026999 传真:020-36705678 服务热线:18924187999 邮箱:sales@gzbearing.cn
| 圆柱滚子轴承, 双列满装滚子, 无密封件, 单方向轴向负荷的挡边 | ||||||||||
| 公差 , 参见文字 | ||||||||||
| 径向内部游隙 , 参见文字 | ||||||||||
| 推荐配合 | ||||||||||
| 轴和轴承座公差 | ||||||||||
|
|
||||||||||
| 主要数据尺寸 | 基本负荷额定值 | 疲劳负荷限值 | 额定速度 | 体积 | 型号 | |||||
| 动态 | 静态 | 参照速度 | 限制速度 | |||||||
| d | D | B | C | C0 | Pu | |||||
|
|
||||||||||
| mm | kN | kN | r/min | kg | - | |||||
|
|
||||||||||
| 170 | 215 | 45 | 286 | 655 | 65,5 | 1300 | 1600 | 4,00 | NNCF 4834 CV | |
17119/244轴承 HJ2213E轴承 71432/71751D轴承 484/472A轴承 4T-A4059/A4138轴承 RSF-4944E4轴承 NNU49/500B/SPW33X轴承 7320AC/DT轴承 5208-2NS轴承 71913AC轴承 BCE1211-P轴承 4110-AW轴承 NU306轴承 HF0612-KF-R轴承 LM48548A/LM48511A轴承 C2238K+H3138轴承 HJ2211轴承 3916轴承 NUP2210ECNP轴承 TAF-253320轴承