
购买SKF NNCF5005CV轴承,及NNCF5005CV轴承同系列产品,或者SKF公司其他产品,请联系SKF进口轴承代理-鼎力晟业,我们提供准时高效的服务。
型号:NNCF5005CV
品牌:SKF
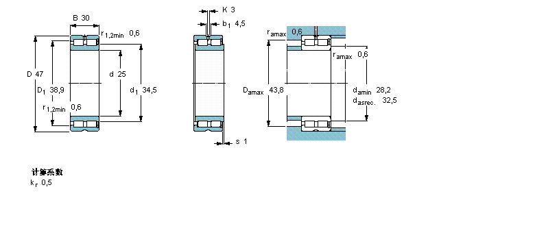
内径:25
外径:47
厚度:30
系列:圆柱滚子轴承, 双列满装滚子, 无密封件, 单方向轴向负荷的挡边
【
手机版 NNCF5005CV轴承
点击量
更新日期:2021/12/28
】
电话:020-36026999 传真:020-36705678 服务热线:18924187999 邮箱:sales@gzbearing.cn
| 圆柱滚子轴承, 双列满装滚子, 无密封件, 单方向轴向负荷的挡边 | ||||||||||
| 公差 , 参见文字 | ||||||||||
| 径向内部游隙 , 参见文字 | ||||||||||
| 推荐配合 | ||||||||||
| 轴和轴承座公差 | ||||||||||
|
|
||||||||||
| 主要数据尺寸 | 基本负荷额定值 | 疲劳负荷限值 | 额定速度 | 体积 | 型号 | |||||
| 动态 | 静态 | 参照速度 | 限制速度 | |||||||
| d | D | B | C | C0 | Pu | |||||
|
|
||||||||||
| mm | kN | kN | r/min | kg | - | |||||
|
|
||||||||||
| 25 | 47 | 30 | 59,4 | 71 | 7,65 | 7000 | 9000 | 0,23 | NNCF 5005 CV | |
59180F轴承 ZSL192322-TB轴承 4T-3576/3525轴承 ZKLF3590.2RSPE轴承 22311E轴承 430328XU轴承 NJ2332EC+HJ2332EC轴承 6912N轴承 6200/HR11TN轴承 SI8C轴承 K89424-M轴承 608-2RZ轴承 RA155ZA轴承 09074/09194轴承 30334JR轴承 4T-LL217849/LL217810轴承 241/850ECAK30F/W33轴承 QJ224轴承 7215C/DF轴承 7001C/DF轴承