
鼎力晟业是SKF进口轴承代理商,不仅为工业配套用户提供SKF NNC4834CV轴承,在维修市场也提供足够的支持,是SKF轴承在国内的优质经销商之一,购买SKF NNC4834CV轴承,鼎力晟业是您放心的选择。
型号:NNC4834CV
品牌:SKF
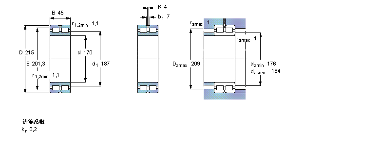
内径:170
外径:215
厚度:45
系列:圆柱滚子轴承, 双列满装滚子, 无密封件, 双方向轴向负荷的挡边
【
手机版 NNC4834CV轴承
点击量
更新日期:2021/12/28
】
电话:020-36026999 传真:020-36705678 服务热线:18924187999 邮箱:sales@gzbearing.cn
| 圆柱滚子轴承, 双列满装滚子, 无密封件, 双方向轴向负荷的挡边 | ||||||||||
| 公差 , 参见文字 | ||||||||||
| 径向内部游隙 , 参见文字 | ||||||||||
| 推荐配合 | ||||||||||
| 轴和轴承座公差 | ||||||||||
|
|
||||||||||
| 主要数据尺寸 | 基本负荷额定值 | 疲劳负荷限值 | 额定速度 | 体积 | 型号 | |||||
| 动态 | 静态 | 参照速度 | 限制速度 | |||||||
| d | D | B | C | C0 | Pu | |||||
|
|
||||||||||
| mm | kN | kN | r/min | kg | - | |||||
|
|
||||||||||
| 170 | 215 | 45 | 286 | 655 | 65,5 | 1300 | 1600 | 4,10 | NNC 4834 CV | |
29240轴承 RNA4907轴承 71928C轴承 6900LLB轴承 NU1096轴承 K16X22X16轴承 K12X15X10-TV轴承 Z-567498.ZL-K-C5轴承 K25×31×17轴承 6302N轴承 7015CD/DB轴承 71930CDT轴承 6805-2NKE轴承 XSI140744-N轴承 4140轴承 FY25WM轴承 23222CK轴承 2318轴承 22217B轴承 7311AC轴承