
SKF FBSA210A/QFC轴承是鼎力晟业长期代理的产品,鼎力晟业与SKF公司具有长期的FBSA210A/QFC轴承采购计划,可以为国内用户提供足够数量的SKF FBSA210A/QFC轴承,让您的工厂无忧运转。
型号:FBSA210A/QFC
品牌:SKF
内径:50
外径:128
厚度:106
系列:角接触推力球轴承 for screw drives, cartridge units with flanged housing
【
手机版 FBSA210A/QFC轴承
点击量
更新日期:2021/12/28
】
电话:020-36026999 传真:020-36705678 服务热线:18924187999 邮箱:sales@gzbearing.cn
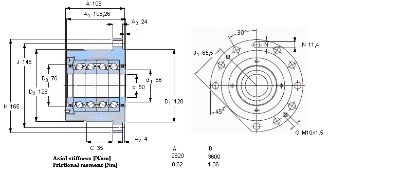
| 角接触推力球轴承 for screw drives, cartridge units with flanged housing | |||||||||||
| 公差, inner rings, outer rings, see also text | |||||||||||
| Preload, see specific bearing, see also text | |||||||||||
| Shaft fits, housing fits | |||||||||||
| 轴和轴承座公差 | |||||||||||
|
|
|||||||||||
| 主要数据尺寸 | 基本负荷额定值 | 疲劳负荷限值 | 可达到的速度 | 体积 | 型号 | ||||||
| 动态 | 静态 | 预压 | SKF | SNFA | |||||||
| A | B | ||||||||||
| d | D2 | A | C | C0 | Pu | ||||||
|
|
|||||||||||
| mm | kN | kN | r/min | kg | - | ||||||
|
|
|||||||||||
| 50 | 128 | 106 | 75,795 | 292 | 10,8 | 3000 | 1500 | 9,3 | FBSA 210 A/ QFC | BSQU 250/1 TFT | |
NU310轴承 6007轴承 71926CD/DF轴承 71920C/DT轴承 29384-E-MB轴承 15118/15250轴承 23256-K-MB+H2356X轴承 7313B轴承 CR36VBUU轴承 CF6UUR轴承 23122EASK.M轴承 6203-RS轴承 24034CE4轴承 483/472-B轴承 6012-Z轴承 63/28ZZ轴承 S7020ACD/HCP4A轴承 SR1-45B轴承 52230X54230X轴承 B7212-C-2RSD-T-P4S轴承