
SKF进口轴承代理鼎力晟业为用户提供高品质的FBSA204/DF轴承,无论是工业配套还是维修市场,用户都可以在这里找到货期最短的SKF FBSA204/DF轴承,确保您的不间断生产。
型号:FBSA204/DF
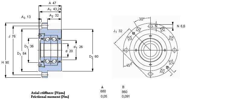
品牌:SKF
内径:20
外径:60
厚度:47
系列:角接触推力球轴承 for screw drives, cartridge units with flanged housing
【
手机版 FBSA204/DF轴承
点击量
更新日期:2021/12/28
】
电话:020-36026999 传真:020-36705678 服务热线:18924187999 邮箱:sales@gzbearing.cn
| 角接触推力球轴承 for screw drives, cartridge units with flanged housing | |||||||||||
| 公差, inner rings, outer rings, see also text | |||||||||||
| Preload, see specific bearing, see also text | |||||||||||
| Shaft fits, housing fits | |||||||||||
| 轴和轴承座公差 | |||||||||||
|
|
|||||||||||
| 主要数据尺寸 | 基本负荷额定值 | 疲劳负荷限值 | 可达到的速度 | 体积 | 型号 | ||||||
| 动态 | 静态 | 预压 | SKF | SNFA | |||||||
| A | B | ||||||||||
| d | D2 | A | C | C0 | Pu | ||||||
|
|
|||||||||||
| mm | kN | kN | r/min | kg | - | ||||||
|
|
|||||||||||
| 20 | 60 | 47 | 22 | 49 | 1,8 | 7600 | 3800 | 1,1 | FBSA 204/ DF | BSDU 220 FF | |
23060K.MB轴承 AOH2344轴承 46T30310DJR/52.5轴承 6844ZZS轴承 2309K+H2309X轴承 602轴承 5205A-2RS1轴承 6324-Z轴承 B7200-E-T-P4S轴承 E-4R10008轴承 21318RHK+H318轴承 GE12-AX轴承 7306AC/DF轴承 RS-4930E4轴承 7226C/DT轴承 22314CD轴承 N1019KTNHA/HC5SP轴承 NJ321EC轴承 467/453A轴承 6315ZZ轴承