
SKF进口轴承代理鼎力晟业为用户提供高品质的VJ-PDNB317轴承,无论是工业配套还是维修市场,用户都可以在这里找到货期最短的SKF VJ-PDNB317轴承,确保您的不间断生产。
型号:VJ-PDNB317
品牌:SKF
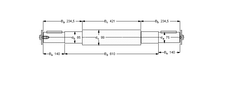
内径:75
外径:85
厚度:234.5
系列:双轴承单元, 用PDNB单元的轴
【
手机版 VJ-PDNB317轴承
点击量
更新日期:2021/12/28
】
电话:020-36026999 传真:020-36705678 服务热线:18924187999 邮箱:sales@gzbearing.cn
| 双轴承单元, 用PDNB单元的轴 | ||||||||||
|
|
||||||||||
| 尺寸 | 键 | 质量 | 型号 | |||||||
| da | db | Ba | Bb | Bc | Bd | Be | ||||
|
|
||||||||||
| mm | - | kg | - | |||||||
|
|
||||||||||
| 75 | 85 | 234,5 | 234,5 | 421 | 610 | 140 | 20x12x100 | 43,0 | VJ-PDNB 317 | |
NKIS17轴承 NUP2206-E-TVP2轴承 K30x40x30轴承 24024CCK30/W33轴承 CRH26VR轴承 608轴承 QJ1038轴承 GE340-DW-2RS2轴承 241/560ECK30J/W33轴承 7310BDF轴承 LR20X25X16.5轴承 7208-B-TVP轴承 F-1516轴承 81116-TV轴承 61828-Y轴承 EE333140/333203CD轴承 N308轴承 SN617轴承 BC2B326061/HA1轴承 928轴承