
订购SKF VJ-PDNB308轴承,请随时与我们联系,我们将根据汇率的波动为您提供实时准确的价格,确保以最优惠的价格为您提供优质的SKF VJ-PDNB308轴承。
型号:VJ-PDNB308
品牌:SKF
内径:32
外径:40
厚度:140
系列:双轴承单元, 用PDNB单元的轴
【
手机版 VJ-PDNB308轴承
点击量
更新日期:2021/12/28
】
电话:020-36026999 传真:020-36705678 服务热线:18924187999 邮箱:sales@gzbearing.cn
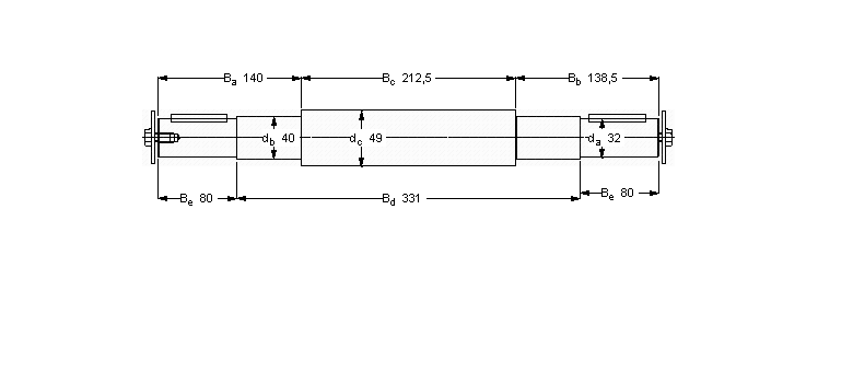
| 双轴承单元, 用PDNB单元的轴 | ||||||||||
|
|
||||||||||
| 尺寸 | 键 | 质量 | 型号 | |||||||
| da | db | Ba | Bb | Bc | Bd | Be | ||||
|
|
||||||||||
| mm | - | kg | - | |||||||
|
|
||||||||||
| 32 | 40 | 140 | 138,5 | 212,5 | 331 | 80 | 10x8x63 | 5,25 | VJ-PDNB 308 | |
22219BD1轴承 7226AC/DB轴承 K28×34×17轴承 BT4B334092AG/HA1轴承 N1009KTNHA/HC5SP轴承 23044CCK/W33轴承 6302-2RSH轴承 6205LLH轴承 NUP240轴承 FYNT55F轴承 30311DJR轴承 6802VV轴承 7317BEGBY轴承 6302-2Z轴承 LM567949/910/HA1轴承 4T-48393/48320轴承 PSHE25-TV-FA125.5轴承 677/672轴承 23120-E1-K-TVPB轴承 562926M轴承