
订购SKF SILKAC30M轴承,请随时与我们联系,我们将根据汇率的波动为您提供实时准确的价格,确保以最优惠的价格为您提供优质的SKF SILKAC30M轴承。
型号:SILKAC30M
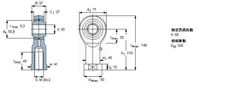
品牌:SKF
内径:30
外径:71
厚度:37
系列:需要维护的杆端, 钢对青铜,阴螺纹
【
手机版 SILKAC30M轴承
点击量
更新日期:2021/12/28
】
电话:020-36026999 传真:020-36705678 服务热线:18924187999 邮箱:sales@gzbearing.cn
| 需要维护的杆端, 钢对青铜,阴螺纹 | |||||||||||
| 公差 , 参见文字 | |||||||||||
| 径向内部游隙 , 参见文字 | |||||||||||
|
|
|||||||||||
| 主要数据尺寸 | 角度倾的 | 基本负荷额定值 | 质量 | 型号 | |||||||
| 动态 | 静态 | 轴承座完全与 | |||||||||
| d | d2 | B | d3 | C1 | h1 | ± | C | C0 | |||
| 6H | |||||||||||
|
|
|||||||||||
| mm | 度数 | kN | kg | - | |||||||
|
|
|||||||||||
| 30 | 71 | 37 | M 30x2 | 27 | 110 | 15 | 64 | 69,5 | 1,10 | SILKAC 30 M | |
22220EAKE4轴承 61815-ZN轴承 25520轴承 618/850M轴承 NJ2316ECP轴承 PWKRE72-2RS轴承 NN3019-AS-K-M-SP轴承 NU220E轴承 598/592A轴承 1305K+H305轴承 BSB055120-T轴承 7234CD/DF轴承 5216ANR轴承 SDAF23156轴承 6060轴承 3305A-2RS轴承 22318-E1轴承 NX12-Z轴承 GE31-ZO轴承 CF8UURM轴承