
SKF NJ2316ECP轴承工业配套用户请注意:批量采购SKF NJ2316ECP轴承,请至少提前一周与我们联系,长期批量采购请提供年度采购计划,我们将十分感谢您的预见性,我们将提供极为优惠的价格以保障您的权益。
型号:NJ2316ECP
品牌:SKF
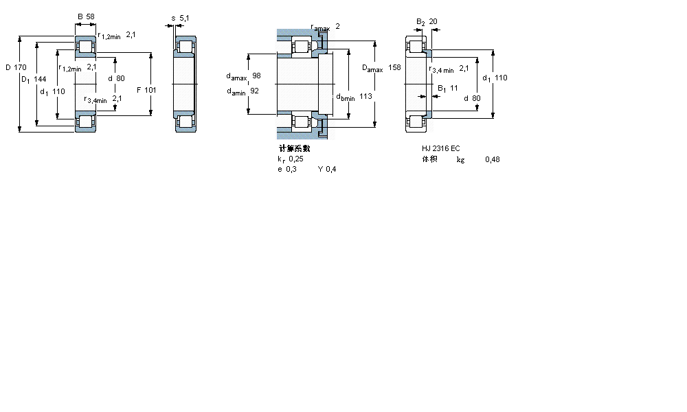
内径:80
外径:170
厚度:58
系列:圆柱滚子轴承, 单列, NJ 设计
【
手机版 NJ2316ECP轴承
点击量
更新日期:2021/12/28
】
电话:020-36026999 传真:020-36705678 服务热线:18924187999 邮箱:sales@gzbearing.cn
| 圆柱滚子轴承, 单列, NJ 设计 | ||||||||||||
| 公差 , 参见文字 | ||||||||||||
| 径向内部间隙, 圆柱型内孔 , 圆锥型内孔, 无密封件 , 参见文字 | ||||||||||||
| 推荐配合 | ||||||||||||
| 轴和轴承座公差 | ||||||||||||
|
|
||||||||||||
| 主要数据尺寸 | 基本负荷额定值 | 疲劳负荷限值 | 额定速度 | 体积 | 型号 | 适宜的斜挡圈 | ||||||
| 动态 | 静态 | 参照速度 | 限制速度 | 型号 | ||||||||
| d | D | B | C | C0 | Pu | * - SKF Explorer 轴承 | ||||||
|
|
||||||||||||
| mm | kN | kN | r/min | kg | - | - | ||||||
|
|
||||||||||||
| 80 | 170 | 58 | 415 | 440 | 55 | 4300 | 5000 | 6,00 | NJ 2316 ECP * | HJ 2316 EC | ||
6304-2Z轴承 1215K+H215轴承 B71903C.T轴承 RMS28轴承 E-4R8201轴承 6096轴承 LM2820轴承 2219K轴承 7209AC/DT轴承 6807ZZ轴承 7311DF轴承 7317CDF轴承 32060X轴承 22210CK+AHX310轴承 7000A5DF轴承 ZARF50140-TV轴承 22348KMBH2348XHG轴承 7304B.O轴承 HK3224轴承 NCS2016轴承