
SKF进口轴承代理鼎力晟业为用户提供高品质的SIKAC20M轴承,无论是工业配套还是维修市场,用户都可以在这里找到货期最短的SKF SIKAC20M轴承,确保您的不间断生产。
型号:SIKAC20M
品牌:SKF
内径:20
外径:51
厚度:25
系列:需要维护的杆端, 钢对青铜,阴螺纹
【
手机版 SIKAC20M轴承
点击量
更新日期:2021/12/28
】
电话:020-36026999 传真:020-36705678 服务热线:18924187999 邮箱:sales@gzbearing.cn
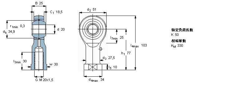
| 需要维护的杆端, 钢对青铜,阴螺纹 | |||||||||||
| 公差 , 参见文字 | |||||||||||
| 径向内部游隙 , 参见文字 | |||||||||||
|
|
|||||||||||
| 主要数据尺寸 | 角度倾的 | 基本负荷额定值 | 质量 | 型号 | |||||||
| 动态 | 静态 | 轴承座完全与 | |||||||||
| d | d2 | B | d3 | C1 | h1 | ± | C | C0 | |||
| 6H | |||||||||||
|
|
|||||||||||
| mm | 度数 | kN | kg | - | |||||||
|
|
|||||||||||
| 20 | 51 | 25 | M 20x1,5 | 18,5 | 77 | 15 | 31,5 | 35,5 | 0,42 | SIKAC 20 M | |
GEZ012ES轴承 UCT305轴承 NJ312ET+HJ312E轴承 NJ2208EC轴承 NJ2315EC轴承 7217BECBY轴承 FLWBC2.5-7ZZA轴承 BD1B634132轴承 67388/67320轴承 B71912C.T轴承 23026E轴承 NUP430轴承 RNA4922UU轴承 3211A-2Z/MT33轴承 22216EK+AH316轴承 6815ZZ轴承 AHX2330/135G轴承 NJ2209轴承 NATR17轴承 61907轴承