
购买SKF NNCF5052CV轴承,及NNCF5052CV轴承同系列产品,或者SKF公司其他产品,请联系SKF进口轴承代理-鼎力晟业,我们提供准时高效的服务。
型号:NNCF5052CV
品牌:SKF
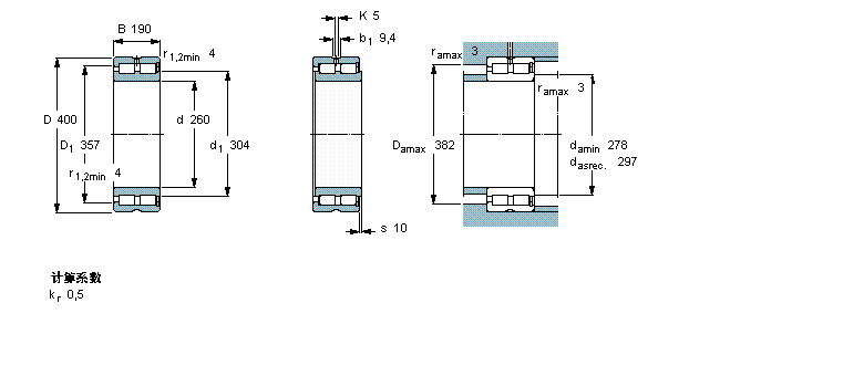
内径:260
外径:400
厚度:190
系列:圆柱滚子轴承, 双列满装滚子, 无密封件, 单方向轴向负荷的挡边
【
手机版 NNCF5052CV轴承
点击量
更新日期:2021/12/28
】
电话:020-36026999 传真:020-36705678 服务热线:18924187999 邮箱:sales@gzbearing.cn
| 圆柱滚子轴承, 双列满装滚子, 无密封件, 单方向轴向负荷的挡边 | ||||||||||
| 公差 , 参见文字 | ||||||||||
| 径向内部游隙 , 参见文字 | ||||||||||
| 推荐配合 | ||||||||||
| 轴和轴承座公差 | ||||||||||
|
|
||||||||||
| 主要数据尺寸 | 基本负荷额定值 | 疲劳负荷限值 | 额定速度 | 体积 | 型号 | |||||
| 动态 | 静态 | 参照速度 | 限制速度 | |||||||
| d | D | B | C | C0 | Pu | |||||
|
|
||||||||||
| mm | kN | kN | r/min | kg | - | |||||
|
|
||||||||||
| 260 | 400 | 190 | 2860 | 5100 | 500 | 700 | 900 | 85,5 | NNCF 5052 CV | |
NUP2210ECNP轴承 7218C/DB轴承 54308轴承 CR17X40X7HMS5V轴承 17580/17520-B轴承 23272R轴承 71911ACE/P4A轴承 7234CDT轴承 6209-2Z轴承 98394X/98788轴承 CF24-1VR轴承 21311CDK+H311X轴承 VSI250855-N轴承 YAR209-108-2F/AH轴承 NUP317EM轴承 NUP210-E-TVP2轴承 7216DT轴承 SIA40ES-2RS轴承 R40/32A轴承 NF313轴承