
鼎力晟业是SKF进口轴承代理商,不仅为工业配套用户提供SKF NNCF5048CV轴承,在维修市场也提供足够的支持,是SKF轴承在国内的优质经销商之一,购买SKF NNCF5048CV轴承,鼎力晟业是您放心的选择。
型号:NNCF5048CV
品牌:SKF
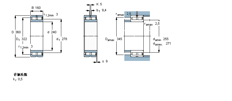
内径:240
外径:360
厚度:160
系列:圆柱滚子轴承, 双列满装滚子, 无密封件, 单方向轴向负荷的挡边
【
手机版 NNCF5048CV轴承
点击量
更新日期:2021/12/28
】
电话:020-36026999 传真:020-36705678 服务热线:18924187999 邮箱:sales@gzbearing.cn
| 圆柱滚子轴承, 双列满装滚子, 无密封件, 单方向轴向负荷的挡边 | ||||||||||
| 公差 , 参见文字 | ||||||||||
| 径向内部游隙 , 参见文字 | ||||||||||
| 推荐配合 | ||||||||||
| 轴和轴承座公差 | ||||||||||
|
|
||||||||||
| 主要数据尺寸 | 基本负荷额定值 | 疲劳负荷限值 | 额定速度 | 体积 | 型号 | |||||
| 动态 | 静态 | 参照速度 | 限制速度 | |||||||
| d | D | B | C | C0 | Pu | |||||
|
|
||||||||||
| mm | kN | kN | r/min | kg | - | |||||
|
|
||||||||||
| 240 | 360 | 160 | 2120 | 3900 | 400 | 800 | 1000 | 56,0 | NNCF 5048 CV | |