
SKF NNCF4972CV轴承工业配套用户请注意:批量采购SKF NNCF4972CV轴承,请至少提前一周与我们联系,长期批量采购请提供年度采购计划,我们将十分感谢您的预见性,我们将提供极为优惠的价格以保障您的权益。
型号:NNCF4972CV
品牌:SKF
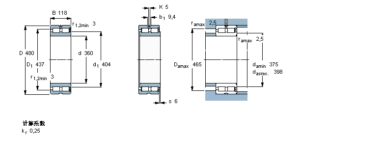
内径:360
外径:480
厚度:118
系列:圆柱滚子轴承, 双列满装滚子, 无密封件, 单方向轴向负荷的挡边
【
手机版 NNCF4972CV轴承
点击量
更新日期:2021/12/28
】
电话:020-36026999 传真:020-36705678 服务热线:18924187999 邮箱:sales@gzbearing.cn
| 圆柱滚子轴承, 双列满装滚子, 无密封件, 单方向轴向负荷的挡边 | ||||||||||
| 公差 , 参见文字 | ||||||||||
| 径向内部游隙 , 参见文字 | ||||||||||
| 推荐配合 | ||||||||||
| 轴和轴承座公差 | ||||||||||
|
|
||||||||||
| 主要数据尺寸 | 基本负荷额定值 | 疲劳负荷限值 | 额定速度 | 体积 | 型号 | |||||
| 动态 | 静态 | 参照速度 | 限制速度 | |||||||
| d | D | B | C | C0 | Pu | |||||
|
|
||||||||||
| mm | kN | kN | r/min | kg | - | |||||
|
|
||||||||||
| 360 | 480 | 118 | 1830 | 4500 | 405 | 530 | 670 | 61,5 | NNCF 4972 CV | |
7211B.TVP轴承 7209CD/P4A轴承 6301RU轴承 PCF20轴承 CR18889轴承 30315轴承 6806ZZ轴承 6844轴承 NJ2320E.TVP2轴承 2308K轴承 PASE20-N-FA125轴承 NJ314EC轴承 B7010-E-2RSD-T-P4S轴承 31322D轴承 HCB7201-E-T-P4S轴承 6206/VA201轴承 SL045010PP轴承 SYNT70F轴承 GAC25F轴承 52324轴承