
订购SKF NJ318ECJ轴承,请随时与我们联系,我们将根据汇率的波动为您提供实时准确的价格,确保以最优惠的价格为您提供优质的SKF NJ318ECJ轴承。
型号:NJ318ECJ
品牌:SKF
内径:90
外径:190
厚度:53
系列:圆柱滚子轴承, 单列, NJ 设计
【
手机版 NJ318ECJ轴承
点击量
更新日期:2021/12/28
】
电话:020-36026999 传真:020-36705678 服务热线:18924187999 邮箱:sales@gzbearing.cn
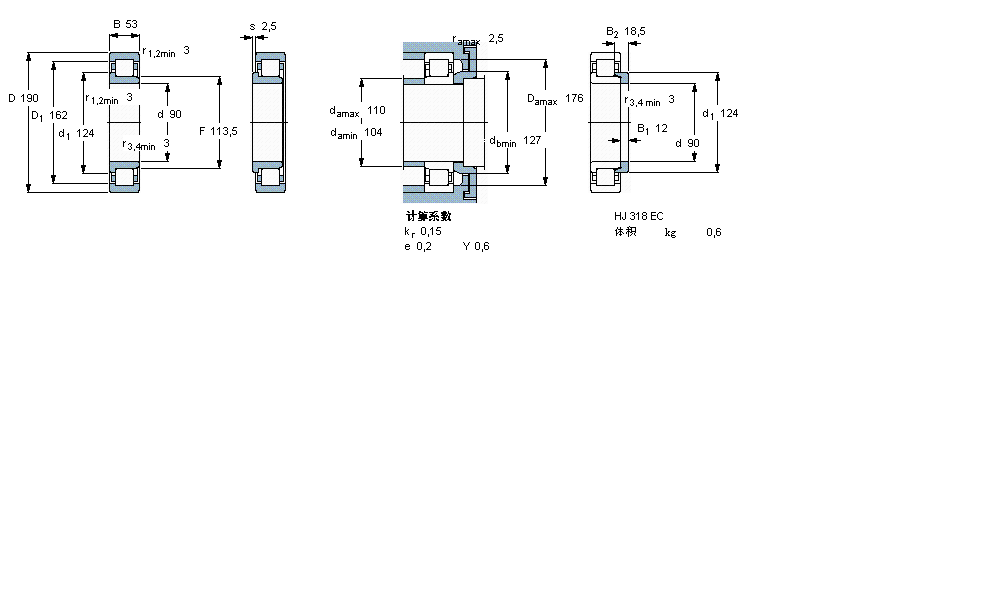
| 圆柱滚子轴承, 单列, NJ 设计 | ||||||||||||
| 公差 , 参见文字 | ||||||||||||
| 径向内部间隙, 圆柱型内孔 , 圆锥型内孔, 无密封件 , 参见文字 | ||||||||||||
| 推荐配合 | ||||||||||||
| 轴和轴承座公差 | ||||||||||||
|
|
||||||||||||
| 主要数据尺寸 | 基本负荷额定值 | 疲劳负荷限值 | 额定速度 | 体积 | 型号 | 适宜的斜挡圈 | ||||||
| 动态 | 静态 | 参照速度 | 限制速度 | 型号 | ||||||||
| d | D | B | C | C0 | Pu | * - SKF Explorer 轴承 | ||||||
|
|
||||||||||||
| mm | kN | kN | r/min | kg | - | - | ||||||
|
|
||||||||||||
| 90 | 190 | 53 | 365 | 360 | 43 | 3800 | 4500 | 5,55 | NJ 318 ECJ * | HJ 318 EC | ||
22310C轴承 33108轴承 K81138-M轴承 NU230ECJ轴承 331381轴承 7221BDF轴承 BC4-8053/HA4轴承 B7013C.T轴承 JL730646/JL730612-B轴承 23040BD1轴承 26132/26274轴承 HSS7001E.T.P4S.UL轴承 909轴承 NNU4976-S-K-M-SP轴承 K22X29X16轴承 29280-E-MB轴承 7928A5DF轴承 HS313轴承 RMEO80轴承 6803LLU轴承