
鼎力晟业是SKF进口轴承代理,销售SKF NJ2324ECMA轴承,不仅具备价格优势,而且在供货及时性、供货能力方面具有比较优势,能在最短的时间内为用户提供原装进口的SKF NJ2324ECMA轴承。
型号:NJ2324ECMA
品牌:SKF
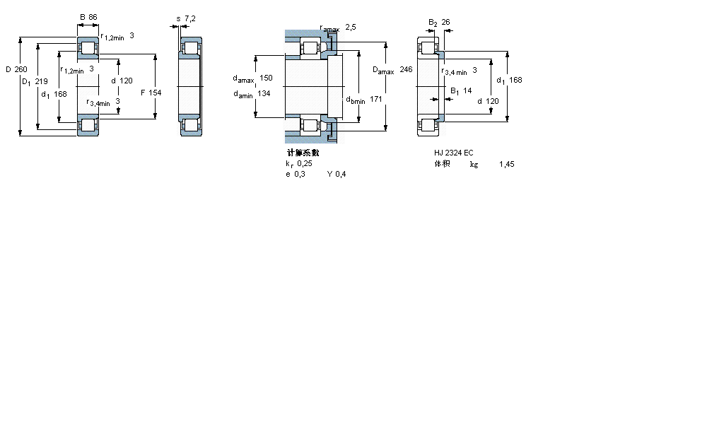
内径:120
外径:260
厚度:86
系列:圆柱滚子轴承, 单列, NJ 设计
【
手机版 NJ2324ECMA轴承
点击量
更新日期:2021/12/28
】
电话:020-36026999 传真:020-36705678 服务热线:18924187999 邮箱:sales@gzbearing.cn
| 圆柱滚子轴承, 单列, NJ 设计 | ||||||||||||
| 公差 , 参见文字 | ||||||||||||
| 径向内部间隙, 圆柱型内孔 , 圆锥型内孔, 无密封件 , 参见文字 | ||||||||||||
| 推荐配合 | ||||||||||||
| 轴和轴承座公差 | ||||||||||||
|
|
||||||||||||
| 主要数据尺寸 | 基本负荷额定值 | 疲劳负荷限值 | 额定速度 | 体积 | 型号 | 适宜的斜挡圈 | ||||||
| 动态 | 静态 | 参照速度 | 限制速度 | 型号 | ||||||||
| d | D | B | C | C0 | Pu | * - SKF Explorer 轴承 | ||||||
|
|
||||||||||||
| mm | kN | kN | r/min | kg | - | - | ||||||
|
|
||||||||||||
| 120 | 260 | 86 | 915 | 1040 | 116 | 2800 | 4300 | 24,3 | NJ 2324 ECMA * | HJ 2324 EC | ||
6816Z轴承 SC71908DB/P7轴承 BRI264120UU轴承 GE30GS-2RS轴承 PSHE40-TV-FA125.5轴承 24130CCK30/W33轴承 100FC72530轴承 B7011-E-2RSD-T-P4S轴承 6312-2NK轴承 N324-E-M1轴承 NJ409-M1+HJ409轴承 NJ2209-E-TVP2+HJ2209E轴承 419/414轴承 6801轴承 GLCTE35-TV-FA125.5轴承 7009C/DB轴承 6240-M轴承 NUZ1848ECMA轴承 SNL3188LTURT轴承 7203B轴承