
SKF NJ311ECP轴承是鼎力晟业长期代理的产品,鼎力晟业与SKF公司具有长期的NJ311ECP轴承采购计划,可以为国内用户提供足够数量的SKF NJ311ECP轴承,让您的工厂无忧运转。
型号:NJ311ECP
品牌:SKF
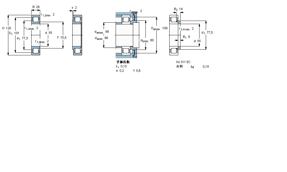
内径:55
外径:120
厚度:29
系列:圆柱滚子轴承, 单列, NJ 设计
【
手机版 NJ311ECP轴承
点击量
更新日期:2021/12/28
】
电话:020-36026999 传真:020-36705678 服务热线:18924187999 邮箱:sales@gzbearing.cn
| 圆柱滚子轴承, 单列, NJ 设计 | ||||||||||||
| 公差 , 参见文字 | ||||||||||||
| 径向内部间隙, 圆柱型内孔 , 圆锥型内孔, 无密封件 , 参见文字 | ||||||||||||
| 推荐配合 | ||||||||||||
| 轴和轴承座公差 | ||||||||||||
|
|
||||||||||||
| 主要数据尺寸 | 基本负荷额定值 | 疲劳负荷限值 | 额定速度 | 体积 | 型号 | 适宜的斜挡圈 | ||||||
| 动态 | 静态 | 参照速度 | 限制速度 | 型号 | ||||||||
| d | D | B | C | C0 | Pu | * - SKF Explorer 轴承 | ||||||
|
|
||||||||||||
| mm | kN | kN | r/min | kg | - | - | ||||||
|
|
||||||||||||
| 55 | 120 | 29 | 156 | 143 | 18,6 | 6000 | 7000 | 1,50 | NJ 311 ECP * | HJ 311 EC | ||
6311-RS轴承 51316轴承 CSEA060轴承 NATR30轴承 6026ZX轴承 24088BD1轴承 32328R轴承 7202C/DF轴承 22214RHRK+AH314轴承 1316轴承 RNA6905轴承 22217EAKE4轴承 PWM105120120轴承 EGB1515-E40-B轴承 CRH24VBR轴承 SL045014-PP轴承 BCE3616轴承 234416B轴承 7901CDT轴承 314199轴承