
SKF NNC4880CV轴承是鼎力晟业长期代理的产品,鼎力晟业与SKF公司具有长期的NNC4880CV轴承采购计划,可以为国内用户提供足够数量的SKF NNC4880CV轴承,让您的工厂无忧运转。
型号:NNC4880CV
品牌:SKF
内径:400
外径:500
厚度:100
系列:圆柱滚子轴承, 双列满装滚子, 无密封件, 双方向轴向负荷的挡边
【
手机版 NNC4880CV轴承
点击量
更新日期:2021/12/28
】
电话:020-36026999 传真:020-36705678 服务热线:18924187999 邮箱:sales@gzbearing.cn
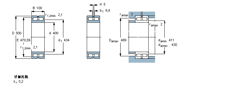
| 圆柱滚子轴承, 双列满装滚子, 无密封件, 双方向轴向负荷的挡边 | ||||||||||
| 公差 , 参见文字 | ||||||||||
| 径向内部游隙 , 参见文字 | ||||||||||
| 推荐配合 | ||||||||||
| 轴和轴承座公差 | ||||||||||
|
|
||||||||||
| 主要数据尺寸 | 基本负荷额定值 | 疲劳负荷限值 | 额定速度 | 体积 | 型号 | |||||
| 动态 | 静态 | 参照速度 | 限制速度 | |||||||
| d | D | B | C | C0 | Pu | |||||
|
|
||||||||||
| mm | kN | kN | r/min | kg | - | |||||
|
|
||||||||||
| 400 | 500 | 100 | 1420 | 3750 | 325 | 500 | 630 | 46,5 | NNC 4880 CV | |