
作为传统的进口轴承代理商,鼎力晟业以广州为基地,全方位展开与SKF公司的合作,为本地SKF NJ1884MA6轴承提供强大的货源支持,并迅速推广到全国各地,经过多年的努力,NJ1884MA6轴承已成为我们的主导产品之一。
型号:NJ1884MA6
品牌:SKF
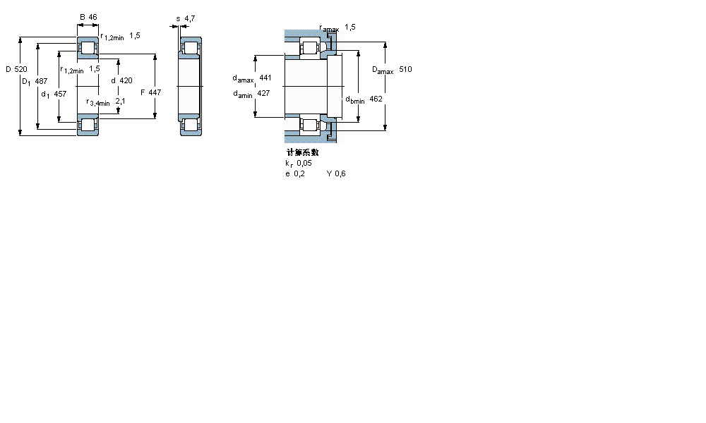
内径:420
外径:520
厚度:46
系列:圆柱滚子轴承, 单列, NJ 设计
【
手机版 NJ1884MA6轴承
点击量
更新日期:2021/12/28
】
电话:020-36026999 传真:020-36705678 服务热线:18924187999 邮箱:sales@gzbearing.cn
| 圆柱滚子轴承, 单列, NJ 设计 | ||||||||||||
| 公差 , 参见文字 | ||||||||||||
| 径向内部间隙, 圆柱型内孔 , 圆锥型内孔, 无密封件 , 参见文字 | ||||||||||||
| 推荐配合 | ||||||||||||
| 轴和轴承座公差 | ||||||||||||
|
|
||||||||||||
| 主要数据尺寸 | 基本负荷额定值 | 疲劳负荷限值 | 额定速度 | 体积 | 型号 | 适宜的斜挡圈 | ||||||
| 动态 | 静态 | 参照速度 | 限制速度 | 型号 | ||||||||
| d | D | B | C | C0 | Pu | |||||||
|
|
||||||||||||
| mm | kN | kN | r/min | kg | - | - | ||||||
|
|
||||||||||||
| 420 | 520 | 46 | 550 | 1120 | 95 | 1200 | 1600 | 20,5 | NJ 1884 MA6 | - | ||
H715334/H715310轴承 4T-LM72849/LM72810轴承 53152RS轴承 W1-1/4轴承 6903N轴承 NKS30轴承 54213轴承 230/950EW33轴承 TAF9511526轴承 7210B/DB轴承 NUP2213ECP轴承 B7240-C-T-P4S轴承 7022CDT轴承 CR19X30X7HMS5RG轴承 54411U轴承 7220BEP轴承 7228C/DF轴承 7240AC/DT轴承 6026N轴承 23052BD1轴承