
FBSA206A/QBC轴承是SKF公司同时面向工业配套和维修市场的产品,鼎力晟业同时代理此两项业务,不仅为批量采购的用户提供优惠的SKF FBSA206A/QBC轴承,同时也为零散采购用户提供价格优惠的及时供货服务。
型号:FBSA206A/QBC
品牌:SKF
内径:30
外径:88
厚度:86
系列:角接触推力球轴承 for screw drives, cartridge units with flanged housing
【
手机版 FBSA206A/QBC轴承
点击量
更新日期:2021/12/28
】
电话:020-36026999 传真:020-36705678 服务热线:18924187999 邮箱:sales@gzbearing.cn
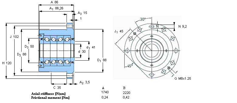
| 角接触推力球轴承 for screw drives, cartridge units with flanged housing | |||||||||||
| 公差, inner rings, outer rings, see also text | |||||||||||
| Preload, see specific bearing, see also text | |||||||||||
| Shaft fits, housing fits | |||||||||||
| 轴和轴承座公差 | |||||||||||
|
|
|||||||||||
| 主要数据尺寸 | 基本负荷额定值 | 疲劳负荷限值 | 可达到的速度 | 体积 | 型号 | ||||||
| 动态 | 静态 | 预压 | SKF | SNFA | |||||||
| A | B | ||||||||||
| d | D2 | A | C | C0 | Pu | ||||||
|
|
|||||||||||
| mm | kN | kN | r/min | kg | - | ||||||
|
|
|||||||||||
| 30 | 88 | 86 | 46,455 | 142 | 5,3 | 4000 | 2000 | 3,7 | FBSA 206 A/ QBC | BSQU 230/1 TDT | |
340KBV039轴承 7312ADB轴承 HR32911J轴承 21316-E1-K+H316轴承 4T-3382/3321轴承 T4DB170+T4DB170轴承 53432U轴承 S71922FB/P7轴承 6211N轴承 NU2324E.M1轴承 RNA4824轴承 61802-2Z轴承 61801-2RSR轴承 SN209C轴承 28579/28521轴承 3905轴承 23196-MB轴承 HCB7209-C-2RSD-T-P4S轴承 SY25TF轴承 PCZ1212M轴承