
SKF 51103V/HR11Q1轴承是鼎力晟业长期代理的产品,鼎力晟业与SKF公司具有长期的51103V/HR11Q1轴承采购计划,可以为国内用户提供足够数量的SKF 51103V/HR11Q1轴承,让您的工厂无忧运转。
型号:51103V/HR11Q1
品牌:SKF
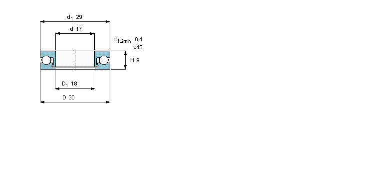
内径:17
外径:30
厚度:9
系列:聚合物球轴承,推力球轴承, POM/POM/glass/POM
【
手机版 51103V/HR11Q1轴承
点击量
更新日期:2021/12/28
】
电话:020-36026999 传真:020-36705678 服务热线:18924187999 邮箱:sales@gzbearing.cn
| 聚合物球轴承,推力球轴承, POM/POM/glass/POM | ||||||||
|
|
||||||||
| 主要数据尺寸 | 负荷能力 | 额定速度 | 体积 | 型号 | ||||
| d | D | B | 动态 1) | 静态 2) | 最大 3) | 最大 | - | |
| 1) above 50 °C and/or above 20 % | 3) Consider load carrying | |||||||
| of max speed rating consider | capability reduction according | |||||||
| reduction according to diagram | to diagram | |||||||
| 2) above 50 °C consider | ||||||||
| reduction according to diagram | ||||||||
|
|
||||||||
| mm | kN | r/min | kg | - | ||||
|
|
||||||||
| 17 | 30 | 9 | 0,71 | 0,57 | 480 | 0,0068 | 51103 V/HR11Q1 | |