
我们不仅提供SKF 51101V/HR11Q1轴承,还提供SKF品牌的其他品牌产品,以及SKF 51101V/HR11Q1轴承的替换型号,万千种型号,任您选择。
型号:51101V/HR11Q1
品牌:SKF
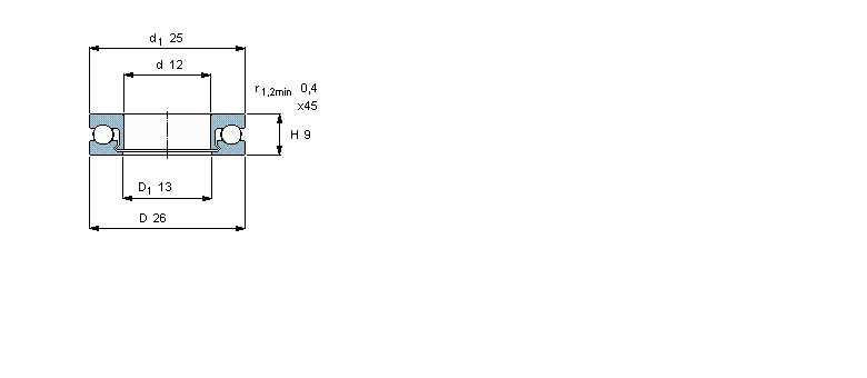
内径:12
外径:26
厚度:9
系列:聚合物球轴承,推力球轴承, POM/POM/glass/POM
【
手机版 51101V/HR11Q1轴承
点击量
更新日期:2021/12/28
】
电话:020-36026999 传真:020-36705678 服务热线:18924187999 邮箱:sales@gzbearing.cn
| 聚合物球轴承,推力球轴承, POM/POM/glass/POM | ||||||||
|
|
||||||||
| 主要数据尺寸 | 负荷能力 | 额定速度 | 体积 | 型号 | ||||
| d | D | B | 动态 1) | 静态 2) | 最大 3) | 最大 | - | |
| 1) above 50 °C and/or above 20 % | 3) Consider load carrying | |||||||
| of max speed rating consider | capability reduction according | |||||||
| reduction according to diagram | to diagram | |||||||
| 2) above 50 °C consider | ||||||||
| reduction according to diagram | ||||||||
|
|
||||||||
| mm | kN | r/min | kg | - | ||||
|
|
||||||||
| 12 | 26 | 9 | 0,4 | 0,32 | 540 | 0,0056 | 51101 V/HR11Q1 | |
NU3252轴承 AXK90120轴承 6319LLB轴承 NJ2209E轴承 NUP309E.TVP2轴承 6314轴承 PWTR15.2RS轴承 NUP2318-E-TVP2轴承 NJ18/1180ECMA轴承 1315-M轴承 SNL319TURU轴承 EC6309LLU轴承 JHM522649/10轴承 6202-C-2HRS轴承 TAM2830轴承 HS7003-C-T-P4S轴承 LRT404534轴承 HSS7004-C-T-P4S轴承 NJ2318+HJ2318轴承 7207ACD/DT轴承