
WEEXB002-2Z轴承是SKF公司同时面向工业配套和维修市场的产品,鼎力晟业同时代理此两项业务,不仅为批量采购的用户提供优惠的SKF WEEXB002-2Z轴承,同时也为零散采购用户提供价格优惠的及时供货服务。
型号:WEEXB002-2Z
品牌:SKF
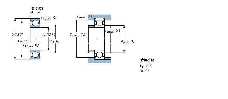
内径:3.175
外径:7.937
厚度:3.571
系列:深沟球轴承, 单列,不锈钢, 两面防尘罩
【
手机版 WEEXB002-2Z轴承
点击量
更新日期:2021/12/28
】
电话:020-36026999 传真:020-36705678 服务热线:18924187999 邮箱:sales@gzbearing.cn
| 深沟球轴承, 单列,不锈钢, 两面防尘罩 | ||||||||||
| 公差 , 参见文字 | ||||||||||
| 径向内部游隙 , 参见文字 | ||||||||||
| 推荐配合 | ||||||||||
| 轴和轴承座公差 | ||||||||||
|
|
||||||||||
| 主要数据尺寸 | 基本负荷额定值 | 疲劳负荷限值 | 额定速度 | 体积 | 型号 | |||||
| 动态 | 静态 | 参照速度 | 限制速度 | |||||||
| d | D | B | C | C0 | Pu | |||||
|
|
||||||||||
| mm | kN | kN | r/min | kg | - | |||||
|
|
||||||||||
| 3,175 | 7,937 | 3,571 | 0,39 | 0,129 | 0,0056 | 150000 | 75000 | 0,00082 | WEEXB 002-2Z | |
NU230ECJ轴承 53211轴承 NNU4172-M轴承 7926DF轴承 7314B/DB轴承 NF313M轴承 NF208轴承 W628/9-2Z轴承 NUP2338轴承 21318RHK+H318X轴承 7211B.TVP轴承 HJ2236轴承 23272EW33K轴承 6212-Z轴承 TSHE20-N轴承 51124轴承 3222轴承 7220CDT轴承 24132EW33轴承 6913ZN轴承