
SKF W14轴承是鼎力晟业长期代理的产品,鼎力晟业与SKF公司具有长期的W14轴承采购计划,可以为国内用户提供足够数量的SKF W14轴承,让您的工厂无忧运转。
型号:W14
品牌:SKF
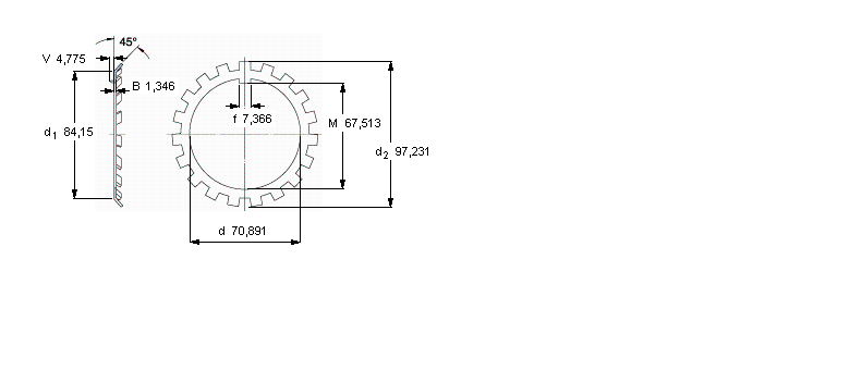
内径:70.891
外径:97.231
厚度:1.346
系列:W锁紧垫圈, 英制尺寸
【
手机版 W14轴承
点击量
更新日期:2021/12/28
】
电话:020-36026999 传真:020-36705678 服务热线:18924187999 邮箱:sales@gzbearing.cn
| W锁紧垫圈, 英制尺寸 | ||||||
|
|
||||||
| 尺寸 | 体积 | 型号 | ||||
| 锁紧垫圈 | 适宜的锁定螺母 | |||||
| d | d2 | B | ||||
|
|
||||||
| mm | kg | - | ||||
|
|
||||||
| 70,891 | 97,231 | 1,346 | 0,032 | W 14 | N 14 | |