
订购SKF VJ-PDRJ317轴承,请随时与我们联系,我们将根据汇率的波动为您提供实时准确的价格,确保以最优惠的价格为您提供优质的SKF VJ-PDRJ317轴承。
型号:VJ-PDRJ317
品牌:SKF
内径:75
外径:85
厚度:231.5
系列:双轴承单元, 用PDRJ单元的轴
【
手机版 VJ-PDRJ317轴承
点击量
更新日期:2021/12/28
】
电话:020-36026999 传真:020-36705678 服务热线:18924187999 邮箱:sales@gzbearing.cn
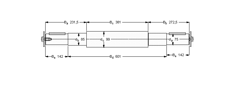
| 双轴承单元, 用PDRJ单元的轴 | ||||||||||
|
|
||||||||||
| 尺寸 | 键 | 质量 | 型号 | |||||||
| da | db | Ba | Bb | Bc | Bd | Be | ||||
|
|
||||||||||
| mm | - | kg | - | |||||||
|
|
||||||||||
| 75 | 85 | 231,5 | 272,5 | 381 | 601 | 142 | 20x12x100 | 42,0 | VJ-PDRJ 317 | |
SR1-120B轴承 NJ1030ML轴承 71921CD轴承 HSS7002-E-T-P4S轴承 NUP2215ECJ轴承 7215B/DB轴承 CR25X35X6HMS5RG轴承 PAK5/8轴承 KR22-PP轴承 4128轴承 SL183015轴承 2309K轴承 NJ238E轴承 NUP2326ECM轴承 E-4R8401轴承 LRT16018060轴承 52315轴承 E-LM869449D/LM869410/LM869410DG2轴承 NJ2313+HJ2313轴承 NNF5048ADA-2LSV轴承