
购买SKF SIQG16ES轴承,及SIQG16ES轴承同系列产品,或者SKF公司其他产品,请联系SKF进口轴承代理-鼎力晟业,我们提供准时高效的服务。
型号:SIQG16ES
品牌:SKF
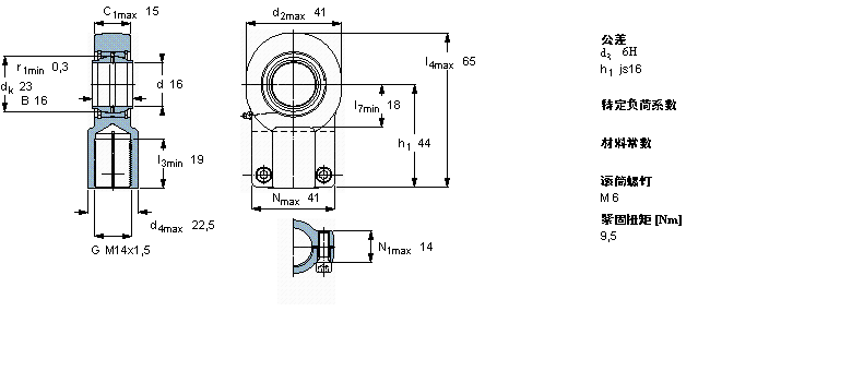
系列:需要维护的杆端, 钢对钢,阴螺纹,用于液压滚筒
【
手机版 SIQG16ES轴承
点击量
更新日期:2021/12/28
】
电话:020-36026999 传真:020-36705678 服务热线:18924187999 邮箱:sales@gzbearing.cn
| 需要维护的杆端, 钢对钢,阴螺纹,用于液压滚筒 | |||||||||||
| 公差 , 参见文字 | |||||||||||
| 径向内部游隙 , 参见文字 | |||||||||||
|
|
|||||||||||
| 主要数据尺寸 | 角度倾的 | 基本负荷额定值 | 质量 | 型号 | |||||||
| 动态 | 静态 | 杆端带右旋螺纹 | |||||||||
| d | d2 | B | d3 | C1 | h1 | ± | C | C0 | |||
| 6H | |||||||||||
|
|
|||||||||||
| mm | 度数 | kN | kg | - | |||||||
|
|
|||||||||||
| 16 | 41 | 16 | M14x1,5 | 15 | 44 | 4 | 17,6 | 32,5 | 0,21 | SIQG 16 ES | |