
订购SKF NUP322ECJ轴承,请随时与我们联系,我们将根据汇率的波动为您提供实时准确的价格,确保以最优惠的价格为您提供优质的SKF NUP322ECJ轴承。
型号:NUP322ECJ
品牌:SKF
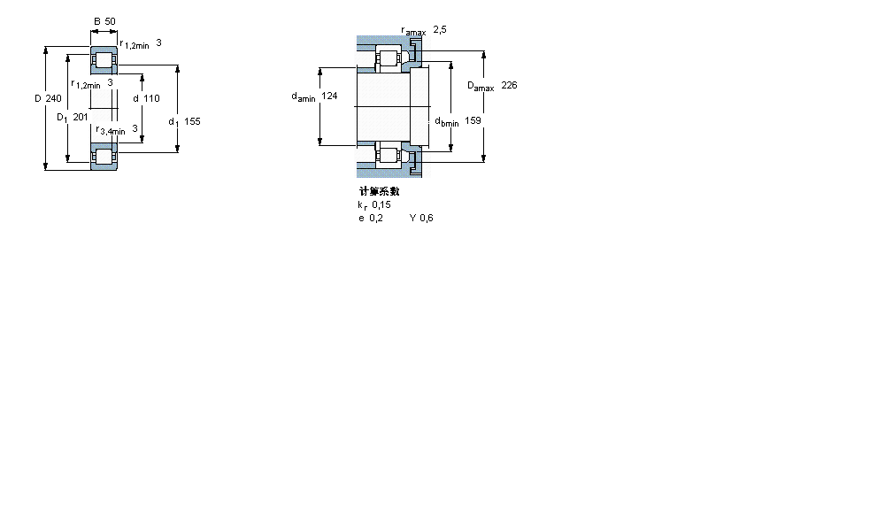
内径:110
外径:240
厚度:50
系列:圆柱滚子轴承, 单列, NUP 设计
【
手机版 NUP322ECJ轴承
点击量
更新日期:2021/12/28
】
电话:020-36026999 传真:020-36705678 服务热线:18924187999 邮箱:sales@gzbearing.cn
| 圆柱滚子轴承, 单列, NUP 设计 | ||||||||||||
| 公差 , 参见文字 | ||||||||||||
| 径向内部间隙, 圆柱型内孔 , 圆锥型内孔, 无密封件 , 参见文字 | ||||||||||||
| 推荐配合 | ||||||||||||
| 轴和轴承座公差 | ||||||||||||
|
|
||||||||||||
| 主要数据尺寸 | 基本负荷额定值 | 疲劳负荷限值 | 额定速度 | 体积 | 型号 | 适宜的斜挡圈 | ||||||
| 动态 | 静态 | 参照速度 | 限制速度 | 型号 | ||||||||
| d | D | B | C | C0 | Pu | * - SKF Explorer 轴承 | ||||||
|
|
||||||||||||
| mm | kN | kN | r/min | kg | - | - | ||||||
|
|
||||||||||||
| 110 | 240 | 50 | 530 | 540 | 61 | 3000 | 3400 | 11,2 | NUP 322 ECJ * | - | ||
6806轴承 YET203-010轴承 7203B/DF轴承 3307-DA轴承 6208-2RSR轴承 ZARF70160TN轴承 AXK160200轴承 6015Z轴承 NJ303-E-TVP2轴承 HC71921-C-T-P4S轴承 51430X轴承 BL207轴承 7602012-TVP轴承 89312-TV轴承 GAY45-NPP-B轴承 FLW60/2.5ZZA轴承 C3134K+AH3134G轴承 BT2-8018/HA1轴承 RASEY75轴承 5216轴承