
SKF 30222J2/DF轴承是鼎力晟业长期代理的产品,鼎力晟业与SKF公司具有长期的30222J2/DF轴承采购计划,可以为国内用户提供足够数量的SKF 30222J2/DF轴承,让您的工厂无忧运转。
型号:30222J2/DF
品牌:SKF
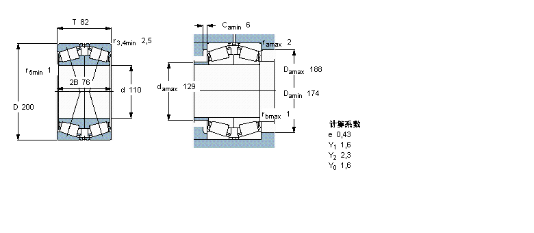
内径:110
外径:200
厚度:82
系列:圆锥滚子轴承, 单列,面对面配对
【
手机版 30222J2/DF轴承
点击量
更新日期:2021/12/28
】
电话:020-36026999 传真:020-36705678 服务热线:18924187999 邮箱:sales@gzbearing.cn
| 圆锥滚子轴承, 单列,面对面配对 | ||||||||||
| 公差 , 参见文字 | ||||||||||
| 轴向内部间隙, 参见文字 | ||||||||||
| 推荐配合 | ||||||||||
| 轴和轴承座公差 | ||||||||||
|
|
||||||||||
| 主要数据尺寸 | 基本负荷额定值 | 疲劳负荷限值 | 额定速度 | 体积 | 型号 | |||||
| 动态 | 静态 | 参照速度 | 限制速度 | |||||||
| d | D | T | C | C0 | Pu | |||||
|
|
||||||||||
| mm | kN | kN | r/min | kg | - | |||||
|
|
||||||||||
| 110 | 200 | 82 | 523 | 800 | 90 | 2000 | 3200 | 10,5 | 30222 J2/DF | |