
SKF进口轴承代理鼎力晟业为用户提供高品质的NUP2317ECML轴承,无论是工业配套还是维修市场,用户都可以在这里找到货期最短的SKF NUP2317ECML轴承,确保您的不间断生产。
型号:NUP2317ECML
品牌:SKF
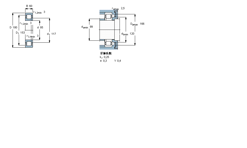
内径:85
外径:180
厚度:60
系列:圆柱滚子轴承, 单列, NUP 设计
【
手机版 NUP2317ECML轴承
点击量
更新日期:2021/12/28
】
电话:020-36026999 传真:020-36705678 服务热线:18924187999 邮箱:sales@gzbearing.cn
| 圆柱滚子轴承, 单列, NUP 设计 | ||||||||||||
| 公差 , 参见文字 | ||||||||||||
| 径向内部间隙, 圆柱型内孔 , 圆锥型内孔, 无密封件 , 参见文字 | ||||||||||||
| 推荐配合 | ||||||||||||
| 轴和轴承座公差 | ||||||||||||
|
|
||||||||||||
| 主要数据尺寸 | 基本负荷额定值 | 疲劳负荷限值 | 额定速度 | 体积 | 型号 | 适宜的斜挡圈 | ||||||
| 动态 | 静态 | 参照速度 | 限制速度 | 型号 | ||||||||
| d | D | B | C | C0 | Pu | * - SKF Explorer 轴承 | ||||||
|
|
||||||||||||
| mm | kN | kN | r/min | kg | - | - | ||||||
|
|
||||||||||||
| 85 | 180 | 60 | 455 | 490 | 60 | 4000 | 7000 | 7,00 | NUP 2317 ECML * | - | ||