
我们不仅提供SKF NUP2324ECMA轴承,还提供SKF品牌的其他品牌产品,以及SKF NUP2324ECMA轴承的替换型号,万千种型号,任您选择。
型号:NUP2324ECMA
品牌:SKF
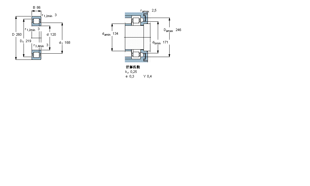
内径:120
外径:260
厚度:86
系列:圆柱滚子轴承, 单列, NUP 设计
【
手机版 NUP2324ECMA轴承
点击量
更新日期:2021/12/28
】
电话:020-36026999 传真:020-36705678 服务热线:18924187999 邮箱:sales@gzbearing.cn
| 圆柱滚子轴承, 单列, NUP 设计 | ||||||||||||
| 公差 , 参见文字 | ||||||||||||
| 径向内部间隙, 圆柱型内孔 , 圆锥型内孔, 无密封件 , 参见文字 | ||||||||||||
| 推荐配合 | ||||||||||||
| 轴和轴承座公差 | ||||||||||||
|
|
||||||||||||
| 主要数据尺寸 | 基本负荷额定值 | 疲劳负荷限值 | 额定速度 | 体积 | 型号 | 适宜的斜挡圈 | ||||||
| 动态 | 静态 | 参照速度 | 限制速度 | 型号 | ||||||||
| d | D | B | C | C0 | Pu | * - SKF Explorer 轴承 | ||||||
|
|
||||||||||||
| mm | kN | kN | r/min | kg | - | - | ||||||
|
|
||||||||||||
| 120 | 260 | 86 | 915 | 1040 | 116 | 2800 | 4300 | 24,3 | NUP 2324 ECMA * | - | ||
EE171000D/171436轴承 6011-2Z轴承 N226轴承 IR17x24x20轴承 7306B/DF轴承 23144A2XW33K轴承 1305K.TV.C3+H305轴承 N1938-K-M1-SP轴承 TC2233轴承 NNU4988K轴承 24024BD1轴承 7903A5轴承 6200-2RSLTN9/HC5C3WT轴承 UKFL211;H2311X轴承 7007DF轴承 6915Z轴承 QJ315轴承 231S.1300轴承 LASE25-N轴承 6007Z轴承