
我们不仅提供SKF NU2272MA轴承,还提供SKF品牌的其他品牌产品,以及SKF NU2272MA轴承的替换型号,万千种型号,任您选择。
型号:NU2272MA
品牌:SKF
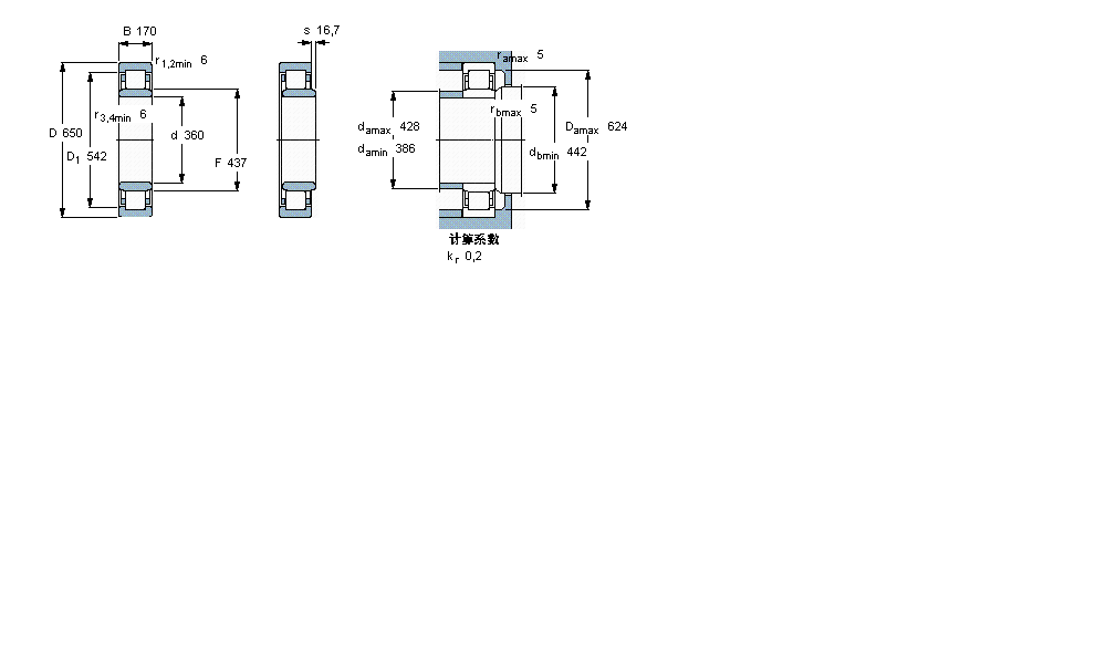
内径:360
外径:650
厚度:170
系列:圆柱滚子轴承, 单列, NU 设计
【
手机版 NU2272MA轴承
点击量
更新日期:2021/12/28
】
电话:020-36026999 传真:020-36705678 服务热线:18924187999 邮箱:sales@gzbearing.cn
| 圆柱滚子轴承, 单列, NU 设计 | ||||||||||||
| 公差 , 参见文字 | ||||||||||||
| 径向内部间隙, 圆柱型内孔 , 圆锥型内孔, 无密封件 , 参见文字 | ||||||||||||
| 推荐配合 | ||||||||||||
| 轴和轴承座公差 | ||||||||||||
|
|
||||||||||||
| 主要数据尺寸 | 基本负荷额定值 | 疲劳负荷限值 | 额定速度 | 体积 | 型号 | 适宜的斜挡圈 | ||||||
| 动态 | 静态 | 参照速度 | 限制速度 | 型号 | ||||||||
| d | D | B | C | C0 | Pu | |||||||
|
|
||||||||||||
| mm | kN | kN | r/min | kg | - | - | ||||||
|
|
||||||||||||
| 360 | 650 | 170 | 2920 | 4900 | 400 | 950 | 1400 | 250 | NU 2272 MA | - | ||