
SKF NU215ECML轴承工业配套用户请注意:批量采购SKF NU215ECML轴承,请至少提前一周与我们联系,长期批量采购请提供年度采购计划,我们将十分感谢您的预见性,我们将提供极为优惠的价格以保障您的权益。
型号:NU215ECML
品牌:SKF
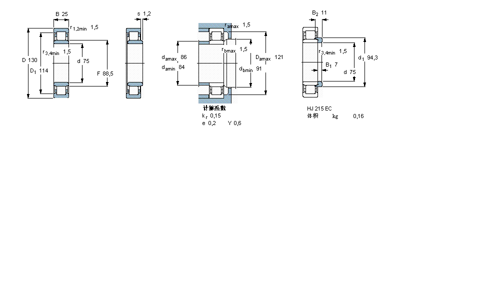
内径:75
外径:130
厚度:25
系列:圆柱滚子轴承, 单列, NU 设计
【
手机版 NU215ECML轴承
点击量
更新日期:2021/12/28
】
电话:020-36026999 传真:020-36705678 服务热线:18924187999 邮箱:sales@gzbearing.cn
| 圆柱滚子轴承, 单列, NU 设计 | ||||||||||||
| 公差 , 参见文字 | ||||||||||||
| 径向内部间隙, 圆柱型内孔 , 圆锥型内孔, 无密封件 , 参见文字 | ||||||||||||
| 推荐配合 | ||||||||||||
| 轴和轴承座公差 | ||||||||||||
|
|
||||||||||||
| 主要数据尺寸 | 基本负荷额定值 | 疲劳负荷限值 | 额定速度 | 体积 | 型号 | 适宜的斜挡圈 | ||||||
| 动态 | 静态 | 参照速度 | 限制速度 | 型号 | ||||||||
| d | D | B | C | C0 | Pu | * - SKF Explorer 轴承 | ||||||
|
|
||||||||||||
| mm | kN | kN | r/min | kg | - | - | ||||||
|
|
||||||||||||
| 75 | 130 | 25 | 150 | 156 | 20,4 | 5600 | 9500 | 1,35 | NU 215 ECML * | HJ 215 EC | ||
QJ344N2MPA轴承 YAR214-207-2F轴承 6903Z轴承 C3048轴承 7004AC/DT轴承 NJ417轴承 CF20-1BUU轴承 24138B轴承 BA1422Z轴承 51307轴承 HCS71926C.T.P4S.UL轴承 7236轴承 HK0912轴承 61806-ZN轴承 6810N轴承 YB912轴承 NU2230ECM轴承 71938C/DT轴承 NJ412M轴承 N1068轴承