
鼎力晟业是SKF进口轴承代理,销售SKF NU2230ECM轴承,不仅具备价格优势,而且在供货及时性、供货能力方面具有比较优势,能在最短的时间内为用户提供原装进口的SKF NU2230ECM轴承。
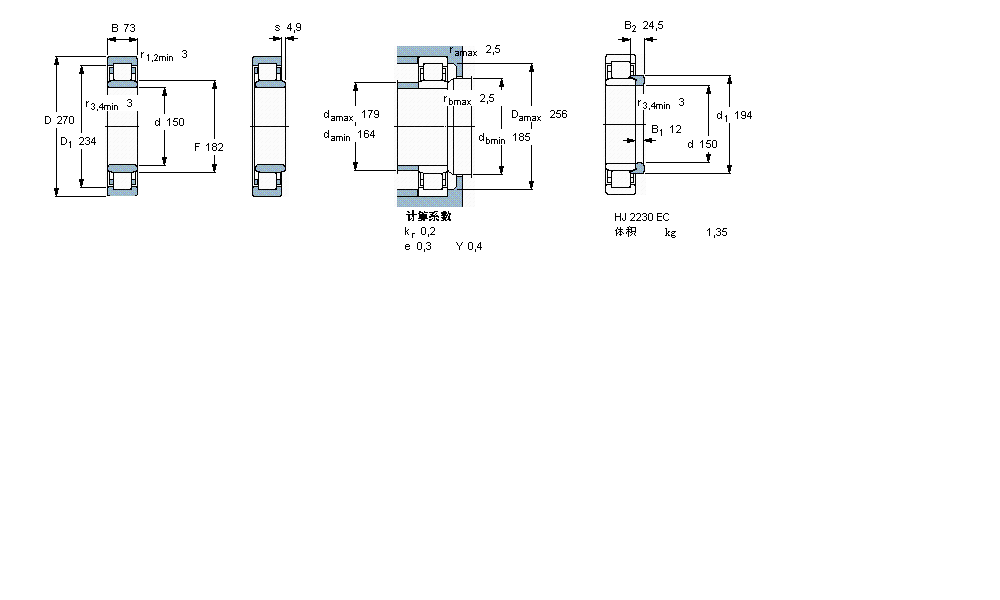
型号:NU2230ECM
品牌:SKF
内径:150
外径:270
厚度:73
系列:圆柱滚子轴承, 单列, NU 设计
【
手机版 NU2230ECM轴承
点击量
更新日期:2021/12/28
】
电话:020-36026999 传真:020-36705678 服务热线:18924187999 邮箱:sales@gzbearing.cn
| 圆柱滚子轴承, 单列, NU 设计 | ||||||||||||
| 公差 , 参见文字 | ||||||||||||
| 径向内部间隙, 圆柱型内孔 , 圆锥型内孔, 无密封件 , 参见文字 | ||||||||||||
| 推荐配合 | ||||||||||||
| 轴和轴承座公差 | ||||||||||||
|
|
||||||||||||
| 主要数据尺寸 | 基本负荷额定值 | 疲劳负荷限值 | 额定速度 | 体积 | 型号 | 适宜的斜挡圈 | ||||||
| 动态 | 静态 | 参照速度 | 限制速度 | 型号 | ||||||||
| d | D | B | C | C0 | Pu | * - SKF Explorer 轴承 | ||||||
|
|
||||||||||||
| mm | kN | kN | r/min | kg | - | - | ||||||
|
|
||||||||||||
| 150 | 270 | 73 | 735 | 930 | 100 | 2600 | 2800 | 18,5 | NU 2230 ECM * | HJ 2230 EC | ||
3208A-2ZTN9/MT33轴承 HR32236J轴承 BCRB326245轴承 GTRI284530轴承 B7000C轴承 GAY012-NPP-B-AS2/V轴承 30311轴承 7301CDB轴承 SYNT75LTF轴承 GK17-DO轴承 33110轴承 22256-B-MB轴承 NU3326轴承 31306-A轴承 SCE810轴承 54216轴承 4T-29685/29620轴承 HF0406-KF轴承 GTRI355520轴承 B71904E轴承