
订购SKF NU1980ECMA轴承,请随时与我们联系,我们将根据汇率的波动为您提供实时准确的价格,确保以最优惠的价格为您提供优质的SKF NU1980ECMA轴承。
型号:NU1980ECMA
品牌:SKF
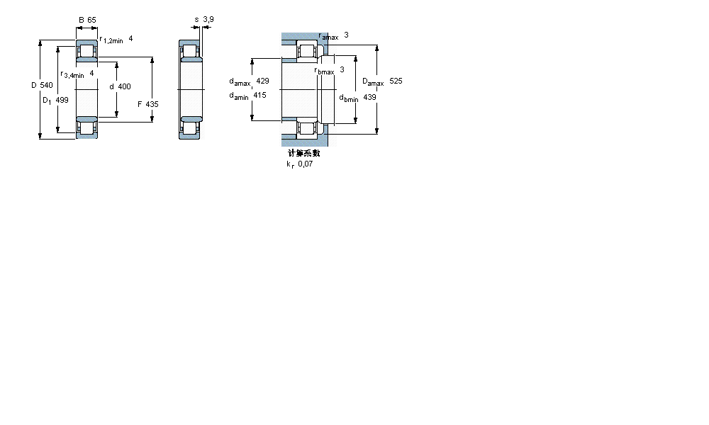
内径:400
外径:540
厚度:65
系列:圆柱滚子轴承, 单列, NU 设计
【
手机版 NU1980ECMA轴承
点击量
更新日期:2021/12/28
】
电话:020-36026999 传真:020-36705678 服务热线:18924187999 邮箱:sales@gzbearing.cn
| 圆柱滚子轴承, 单列, NU 设计 | ||||||||||||
| 公差 , 参见文字 | ||||||||||||
| 径向内部间隙, 圆柱型内孔 , 圆锥型内孔, 无密封件 , 参见文字 | ||||||||||||
| 推荐配合 | ||||||||||||
| 轴和轴承座公差 | ||||||||||||
|
|
||||||||||||
| 主要数据尺寸 | 基本负荷额定值 | 疲劳负荷限值 | 额定速度 | 体积 | 型号 | 适宜的斜挡圈 | ||||||
| 动态 | 静态 | 参照速度 | 限制速度 | 型号 | ||||||||
| d | D | B | C | C0 | Pu | |||||||
|
|
||||||||||||
| mm | kN | kN | r/min | kg | - | - | ||||||
|
|
||||||||||||
| 400 | 540 | 65 | 952 | 1730 | 153 | 1200 | 1600 | 41,0 | NU 1980 ECMA | - | ||
7317C/DB轴承 HJ217E轴承 GE260DO-2RS轴承 7308BDF轴承 53305+U305轴承 NU2334ECMA轴承 HCS71905-C-T-P4S轴承 7218B/DF轴承 ZKLF1255-2RS-PE轴承 2×7209BECBP轴承 5214轴承 32044X/32044X轴承 7824CDF轴承 624轴承 6201-2Z轴承 CRBH10020AUU轴承 GIKPR5-PW轴承 NKI32/30轴承 3317M轴承 38FC27170轴承