
鼎力晟业是SKF进口轴承代理,销售SKF NU10/670ECMA轴承,不仅具备价格优势,而且在供货及时性、供货能力方面具有比较优势,能在最短的时间内为用户提供原装进口的SKF NU10/670ECMA轴承。
型号:NU10/670ECMA
品牌:SKF
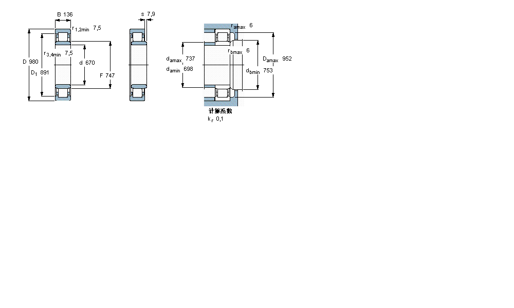
内径:670
外径:980
厚度:136
系列:圆柱滚子轴承, 单列, NU 设计
【
手机版 NU10/670ECMA轴承
点击量
更新日期:2021/12/28
】
电话:020-36026999 传真:020-36705678 服务热线:18924187999 邮箱:sales@gzbearing.cn
| 圆柱滚子轴承, 单列, NU 设计 | ||||||||||||
| 公差 , 参见文字 | ||||||||||||
| 径向内部间隙, 圆柱型内孔 , 圆锥型内孔, 无密封件 , 参见文字 | ||||||||||||
| 推荐配合 | ||||||||||||
| 轴和轴承座公差 | ||||||||||||
|
|
||||||||||||
| 主要数据尺寸 | 基本负荷额定值 | 疲劳负荷限值 | 额定速度 | 体积 | 型号 | 适宜的斜挡圈 | ||||||
| 动态 | 静态 | 参照速度 | 限制速度 | 型号 | ||||||||
| d | D | B | C | C0 | Pu | |||||||
|
|
||||||||||||
| mm | kN | kN | r/min | kg | - | - | ||||||
|
|
||||||||||||
| 670 | 980 | 136 | 3740 | 6800 | 465 | 600 | 800 | 350 | NU 10/670 ECMA | - | ||
3212A-2RS轴承 EE420750D/421437轴承 4T-67790/67720轴承 6903VV轴承 24015-2CS2/VT143轴承 NAF203517轴承 7924DB轴承 3209A轴承 32321轴承 05062/05185轴承 21309CCK轴承 EW310轴承 3204A-2ZTN9/MT33轴承 NJ206轴承 385轴承 6211-Z轴承 23960-B-MB轴承 7205AC/DT轴承 CRB10020轴承 NK100/26+IR90×100×26轴承