
作为传统的进口轴承代理商,鼎力晟业以广州为基地,全方位展开与SKF公司的合作,为本地SKF NNCL4980CV轴承提供强大的货源支持,并迅速推广到全国各地,经过多年的努力,NNCL4980CV轴承已成为我们的主导产品之一。
型号:NNCL4980CV
品牌:SKF
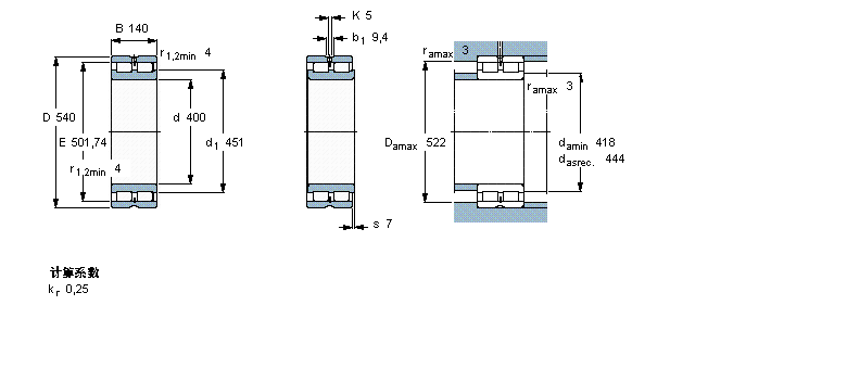
内径:400
外径:540
厚度:140
系列:圆柱滚子轴承, 双列满装滚子, 无密封件, 没有载荷支承能力
【
手机版 NNCL4980CV轴承
点击量
更新日期:2021/12/28
】
电话:020-36026999 传真:020-36705678 服务热线:18924187999 邮箱:sales@gzbearing.cn
| 圆柱滚子轴承, 双列满装滚子, 无密封件, 没有载荷支承能力 | ||||||||||
| 公差 , 参见文字 | ||||||||||
| 径向内部游隙 , 参见文字 | ||||||||||
| 推荐配合 | ||||||||||
| 轴和轴承座公差 | ||||||||||
|
|
||||||||||
| 主要数据尺寸 | 基本负荷额定值 | 疲劳负荷限值 | 额定速度 | 体积 | 型号 | |||||
| 动态 | 静态 | 参照速度 | 限制速度 | |||||||
| d | D | B | C | C0 | Pu | |||||
|
|
||||||||||
| mm | kN | kN | r/min | kg | - | |||||
|
|
||||||||||
| 400 | 540 | 140 | 2420 | 6000 | 520 | 480 | 600 | 94,5 | NNCL 4980 CV | |
629-2NK轴承 NU224轴承 PCJT1-1/2轴承 30334-A轴承 NA22/6-2RSR轴承 RTL33轴承 6008-2RS轴承 GNE60-KRR-B轴承 7000CDB轴承 6005-Z轴承 22206-E1-K+H306轴承 M38549/M38514轴承 HM89448/HM89410轴承 BK0709轴承 7007AC/DB轴承 NK8/12TN轴承 2009轴承 RNAO100X120X30轴承 NU1011轴承 6944ZZS轴承