
SKF NNCL4868CV轴承是鼎力晟业长期代理的产品,鼎力晟业与SKF公司具有长期的NNCL4868CV轴承采购计划,可以为国内用户提供足够数量的SKF NNCL4868CV轴承,让您的工厂无忧运转。
型号:NNCL4868CV
品牌:SKF
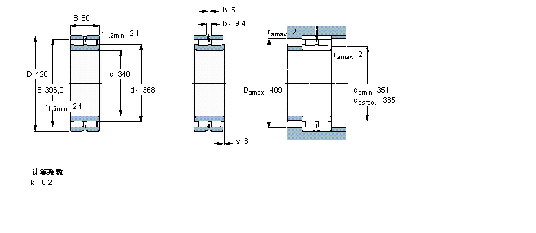
内径:340
外径:420
厚度:80
系列:圆柱滚子轴承, 双列满装滚子, 无密封件, 没有载荷支承能力
【
手机版 NNCL4868CV轴承
点击量
更新日期:2021/12/28
】
电话:020-36026999 传真:020-36705678 服务热线:18924187999 邮箱:sales@gzbearing.cn
| 圆柱滚子轴承, 双列满装滚子, 无密封件, 没有载荷支承能力 | ||||||||||
| 公差 , 参见文字 | ||||||||||
| 径向内部游隙 , 参见文字 | ||||||||||
| 推荐配合 | ||||||||||
| 轴和轴承座公差 | ||||||||||
|
|
||||||||||
| 主要数据尺寸 | 基本负荷额定值 | 疲劳负荷限值 | 额定速度 | 体积 | 型号 | |||||
| 动态 | 静态 | 参照速度 | 限制速度 | |||||||
| d | D | B | C | C0 | Pu | |||||
|
|
||||||||||
| mm | kN | kN | r/min | kg | - | |||||
|
|
||||||||||
| 340 | 420 | 80 | 913 | 2400 | 216 | 600 | 750 | 25,3 | NNCL 4868 CV | |
2309EKTN9+H2309轴承 RCJT35-N-FA125轴承 6205-RZ轴承 MR148DD轴承 74500/74850轴承 NCS1212轴承 68FC45250BW轴承 23272BK.MB轴承 HSS7004-C-T-P4S轴承 6011-RS1轴承 BFSD353288/HA4轴承 NJ338EM轴承 24060CAC/W33轴承 BCE1012轴承 22244BD1轴承 6060-M轴承 6813轴承 PB15轴承 2306E-2RS1TN9轴承 230/750CA/W33轴承