
SKF NNCL4840CV轴承是鼎力晟业长期代理的产品,鼎力晟业与SKF公司具有长期的NNCL4840CV轴承采购计划,可以为国内用户提供足够数量的SKF NNCL4840CV轴承,让您的工厂无忧运转。
型号:NNCL4840CV
品牌:SKF
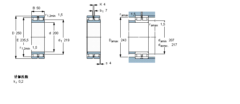
内径:200
外径:250
厚度:50
系列:圆柱滚子轴承, 双列满装滚子, 无密封件, 没有载荷支承能力
【
手机版 NNCL4840CV轴承
点击量
更新日期:2021/12/28
】
电话:020-36026999 传真:020-36705678 服务热线:18924187999 邮箱:sales@gzbearing.cn
| 圆柱滚子轴承, 双列满装滚子, 无密封件, 没有载荷支承能力 | ||||||||||
| 公差 , 参见文字 | ||||||||||
| 径向内部游隙 , 参见文字 | ||||||||||
| 推荐配合 | ||||||||||
| 轴和轴承座公差 | ||||||||||
|
|
||||||||||
| 主要数据尺寸 | 基本负荷额定值 | 疲劳负荷限值 | 额定速度 | 体积 | 型号 | |||||
| 动态 | 静态 | 参照速度 | 限制速度 | |||||||
| d | D | B | C | C0 | Pu | |||||
|
|
||||||||||
| mm | kN | kN | r/min | kg | - | |||||
|
|
||||||||||
| 200 | 250 | 50 | 336 | 800 | 80 | 1100 | 1400 | 5,70 | NNCL 4840 CV | |
23228B轴承 EE275105/275156CD轴承 BTM70A/P4CDBA轴承 K45×53×25轴承 53411U轴承 23268BK+H3268轴承 NA2204-2RSR轴承 UCP210-200D1轴承 7214C/DB轴承 23120-E1-K-TVPB+H3120轴承 RPNA28/44轴承 61804-2RS1轴承 EE234160/234215轴承 08231轴承 PCJ20-N轴承 7317BECBP轴承 47678/47620轴承 7002C轴承 UCF211-200D1轴承 HJ264轴承