
NNCL4836CV轴承是SKF公司同时面向工业配套和维修市场的产品,鼎力晟业同时代理此两项业务,不仅为批量采购的用户提供优惠的SKF NNCL4836CV轴承,同时也为零散采购用户提供价格优惠的及时供货服务。
型号:NNCL4836CV
品牌:SKF
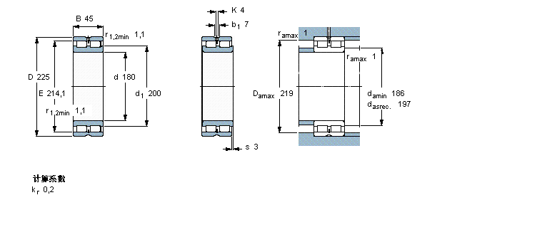
内径:180
外径:225
厚度:45
系列:圆柱滚子轴承, 双列满装滚子, 无密封件, 没有载荷支承能力
【
手机版 NNCL4836CV轴承
点击量
更新日期:2021/12/28
】
电话:020-36026999 传真:020-36705678 服务热线:18924187999 邮箱:sales@gzbearing.cn
| 圆柱滚子轴承, 双列满装滚子, 无密封件, 没有载荷支承能力 | ||||||||||
| 公差 , 参见文字 | ||||||||||
| 径向内部游隙 , 参见文字 | ||||||||||
| 推荐配合 | ||||||||||
| 轴和轴承座公差 | ||||||||||
|
|
||||||||||
| 主要数据尺寸 | 基本负荷额定值 | 疲劳负荷限值 | 额定速度 | 体积 | 型号 | |||||
| 动态 | 静态 | 参照速度 | 限制速度 | |||||||
| d | D | B | C | C0 | Pu | |||||
|
|
||||||||||
| mm | kN | kN | r/min | kg | - | |||||
|
|
||||||||||
| 180 | 225 | 45 | 297 | 695 | 69,5 | 1200 | 1500 | 4,10 | NNCL 4836 CV | |
CF-SFU-8B轴承 TAL2016轴承 1300轴承 61902-2RS轴承 KB16G-AJ轴承 29428-E1轴承 6209-2RS轴承 54211轴承 PNA22/44轴承 7240AC/DF轴承 2911轴承 23032CDK+H3032轴承 6201-2Z轴承 22348MB轴承 7011C/DF轴承 NU206ECKJ轴承 NAS5076ZZ轴承 7321轴承 5315轴承 7228B/DF轴承