
订购SKF NKXR35轴承,请随时与我们联系,我们将根据汇率的波动为您提供实时准确的价格,确保以最优惠的价格为您提供优质的SKF NKXR35轴承。
型号:NKXR35
品牌:SKF
内径:35
外径:47
厚度:30
系列:组合式滚针轴承, 滚针/圆柱滚子推力轴承
【
手机版 NKXR35轴承
点击量
更新日期:2021/12/28
】
电话:020-36026999 传真:020-36705678 服务热线:18924187999 邮箱:sales@gzbearing.cn
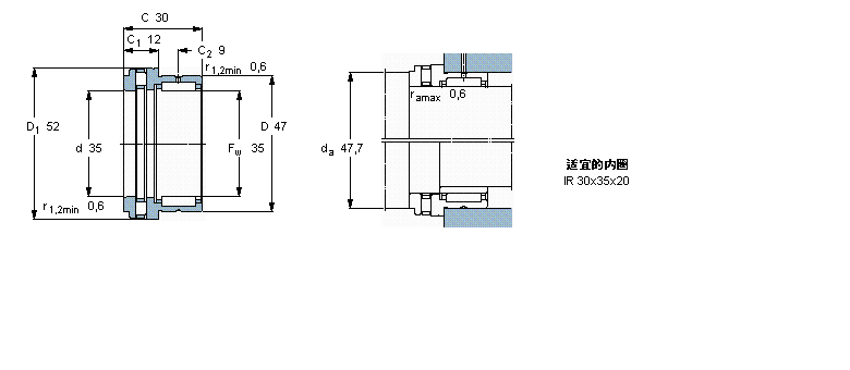
| 组合式滚针轴承, 滚针/圆柱滚子推力轴承 | ||||||||||||||
| 公差 , 参见文字 | ||||||||||||||
| 径向内部游隙 , 参见文字 | ||||||||||||||
| 推荐配合 | ||||||||||||||
| 轴和轴承座公差 | ||||||||||||||
|
|
||||||||||||||
| 主要数据尺寸 | 基本负荷额定值 | 疲劳负荷限值 | 最小负荷系数 | 额定速度 | 体积 | 型号 | ||||||||
| 径向 | 轴向 | 参照速度 | 限制速度 | |||||||||||
| 动态 | 静态 | 动态 | 静态 | 径向 | 轴向 | |||||||||
| Fw | D | C | C | C0 | C | C0 | Pu | Pu | A | |||||
|
|
||||||||||||||
| mm | kN | kN | - | r/min | kg | - | ||||||||
|
|
||||||||||||||
| 35 | 47 | 30 | 24,6 | 45 | 29 | 93 | 5,6 | 9,15 | 0,00069 | 2800 | 5600 | 0,16 | NKXR 35 | |
6006-2RS轴承 SYNT55LW轴承 B7034C.X轴承 6010/HR11TN轴承 7317B/DT轴承 238/1000CAMA/W20轴承 HTA952DB轴承 581/572D轴承 C2244K+OH3144H轴承 7312BDB轴承 7008C/DT轴承 67884/67820轴承 598X/592D轴承 NKS24轴承 22213EW33K轴承 7318DT轴承 21312EAKE4轴承 GEG125ES轴承 7232C/DB轴承 48385轴承