
购买SKF NKXR30轴承,及NKXR30轴承同系列产品,或者SKF公司其他产品,请联系SKF进口轴承代理-鼎力晟业,我们提供准时高效的服务。
型号:NKXR30
品牌:SKF
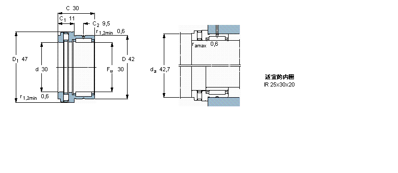
内径:30
外径:42
厚度:30
系列:组合式滚针轴承, 滚针/圆柱滚子推力轴承
【
手机版 NKXR30轴承
点击量
更新日期:2021/12/28
】
电话:020-36026999 传真:020-36705678 服务热线:18924187999 邮箱:sales@gzbearing.cn
| 组合式滚针轴承, 滚针/圆柱滚子推力轴承 | ||||||||||||||
| 公差 , 参见文字 | ||||||||||||||
| 径向内部游隙 , 参见文字 | ||||||||||||||
| 推荐配合 | ||||||||||||||
| 轴和轴承座公差 | ||||||||||||||
|
|
||||||||||||||
| 主要数据尺寸 | 基本负荷额定值 | 疲劳负荷限值 | 最小负荷系数 | 额定速度 | 体积 | 型号 | ||||||||
| 径向 | 轴向 | 参照速度 | 限制速度 | |||||||||||
| 动态 | 静态 | 动态 | 静态 | 径向 | 轴向 | |||||||||
| Fw | D | C | C | C0 | C | C0 | Pu | Pu | A | |||||
|
|
||||||||||||||
| mm | kN | kN | - | r/min | kg | - | ||||||||
|
|
||||||||||||||
| 30 | 42 | 30 | 22,9 | 39 | 27 | 78 | 4,8 | 7,65 | 0,00049 | 3000 | 6000 | 0,14 | NKXR 30 | |
TA1720Z轴承 NUP210E.TVP2轴承 6206/HR11TN轴承 51310轴承 7332DT轴承 496/493-B轴承 AS1113轴承 32944轴承 6804LLB轴承 413026轴承 S7008FB/P7轴承 21322RHK+AHX322轴承 SNL3176F轴承 NX20轴承 HK2218-RS轴承 N416M轴承 ZKLN0624-2RS轴承 7922C轴承 W689Z轴承 NUCF24BR轴承