
作为传统的进口轴承代理商,鼎力晟业以广州为基地,全方位展开与SKF公司的合作,为本地SKF NKX45轴承提供强大的货源支持,并迅速推广到全国各地,经过多年的努力,NKX45轴承已成为我们的主导产品之一。
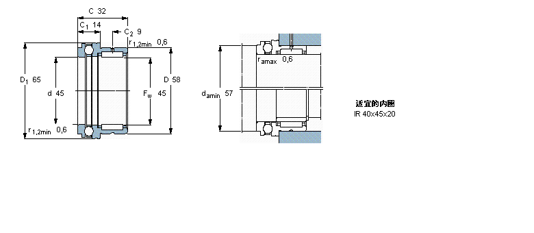
型号:NKX45
品牌:SKF
内径:45
外径:58
厚度:32
系列:组合式滚针轴承, 滚针/推力球轴承
【
手机版 NKX45轴承
点击量
更新日期:2021/12/28
】
电话:020-36026999 传真:020-36705678 服务热线:18924187999 邮箱:sales@gzbearing.cn
| 组合式滚针轴承, 滚针/推力球轴承 | ||||||||||||||
| 公差 , 参见文字 | ||||||||||||||
| 径向内部游隙 , 参见文字 | ||||||||||||||
| 推荐配合 | ||||||||||||||
| 轴和轴承座公差 | ||||||||||||||
|
|
||||||||||||||
| 主要数据尺寸 | 基本负荷额定值 | 疲劳负荷限值 | 最小负荷系数 | 额定速度 | 体积 | 型号 | ||||||||
| 径向 | 轴向 | 参照速度 | 限制速度 | |||||||||||
| 动态 | 静态 | 动态 | 静态 | 径向 | 轴向 | |||||||||
| Fw | D | C | C | C0 | C | C0 | Pu | Pu | A | |||||
|
|
||||||||||||||
| mm | kN | kN | - | r/min | kg | - | ||||||||
|
|
||||||||||||||
| 45 | 58 | 32 | 28,1 | 57 | 28,1 | 75 | 7,1 | 2,8 | 0,029 | 4500 | 6300 | 0,25 | NKX 45 | |
E32012J轴承 7315BECBY轴承 NUP2322-E-TVP2轴承 7807CDB轴承 B7008C.X轴承 PB20轴承 RSHE17轴承 TAL1516轴承 NF332轴承 4T-33010轴承 7908DT轴承 HR30308C轴承 25580/25521轴承 32203-A轴承 4T-2776/2720轴承 HR100KBE042+L轴承 HC71908-C-T-P4S轴承 NNC4856CV轴承 71922CD/P4A轴承 22215E/W64轴承