
订购SKF NJ319ECML轴承,请随时与我们联系,我们将根据汇率的波动为您提供实时准确的价格,确保以最优惠的价格为您提供优质的SKF NJ319ECML轴承。
型号:NJ319ECML
品牌:SKF
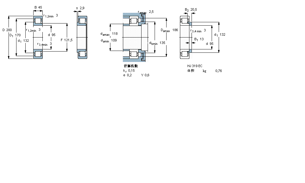
内径:95
外径:200
厚度:45
系列:圆柱滚子轴承, 单列, NJ 设计
【
手机版 NJ319ECML轴承
点击量
更新日期:2021/12/28
】
电话:020-36026999 传真:020-36705678 服务热线:18924187999 邮箱:sales@gzbearing.cn
| 圆柱滚子轴承, 单列, NJ 设计 | ||||||||||||
| 公差 , 参见文字 | ||||||||||||
| 径向内部间隙, 圆柱型内孔 , 圆锥型内孔, 无密封件 , 参见文字 | ||||||||||||
| 推荐配合 | ||||||||||||
| 轴和轴承座公差 | ||||||||||||
|
|
||||||||||||
| 主要数据尺寸 | 基本负荷额定值 | 疲劳负荷限值 | 额定速度 | 体积 | 型号 | 适宜的斜挡圈 | ||||||
| 动态 | 静态 | 参照速度 | 限制速度 | 型号 | ||||||||
| d | D | B | C | C0 | Pu | * - SKF Explorer 轴承 | ||||||
|
|
||||||||||||
| mm | kN | kN | r/min | kg | - | - | ||||||
|
|
||||||||||||
| 95 | 200 | 45 | 390 | 390 | 46,5 | 3600 | 6300 | 7,50 | NJ 319 ECML * | HJ 319 EC | ||
B7011E.X轴承 7020C/DB轴承 NUP334轴承 45336轴承 6316-2RZ轴承 7217B.UO轴承 22324CK轴承 QJ336轴承 HSB034C轴承 EGF16120-E40轴承 71810-B-TVH轴承 NJ226-E-TVP2轴承 7306C/DB轴承 7016A轴承 81238轴承 XAA32008X/Y32008X轴承 EGW26-E40轴承 32307J2/Q轴承 C2220K+AHX320轴承 C101208轴承