
鼎力晟业是SKF进口轴承代理,销售SKF NJ252MA轴承,不仅具备价格优势,而且在供货及时性、供货能力方面具有比较优势,能在最短的时间内为用户提供原装进口的SKF NJ252MA轴承。
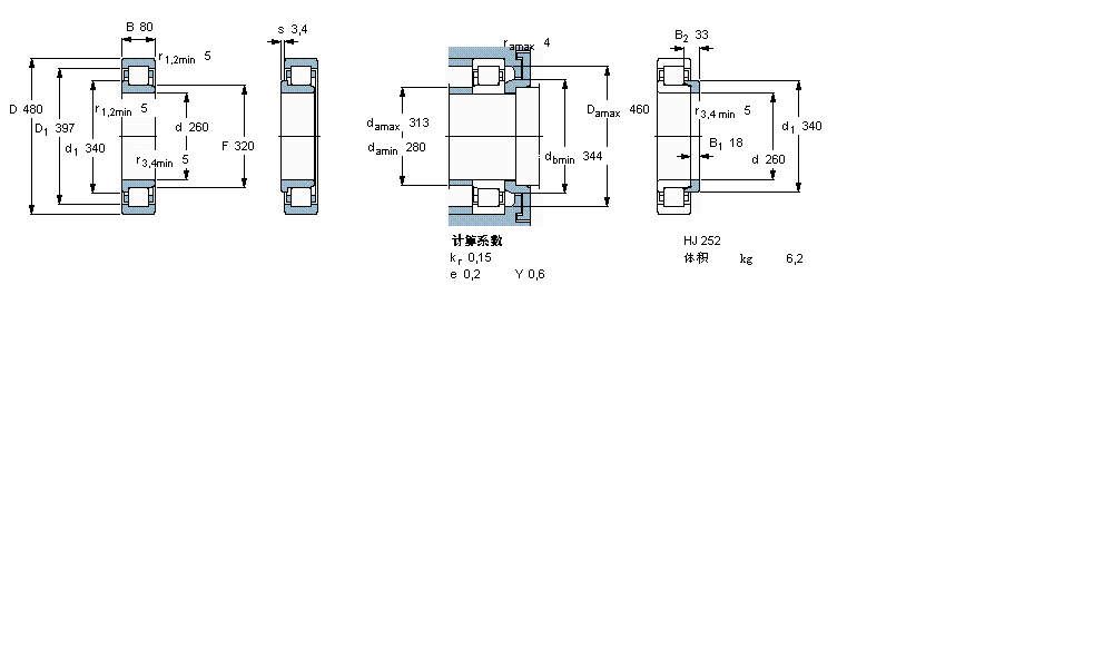
型号:NJ252MA
品牌:SKF
内径:260
外径:480
厚度:80
系列:圆柱滚子轴承, 单列, NJ 设计
【
手机版 NJ252MA轴承
点击量
更新日期:2021/12/28
】
电话:020-36026999 传真:020-36705678 服务热线:18924187999 邮箱:sales@gzbearing.cn
| 圆柱滚子轴承, 单列, NJ 设计 | ||||||||||||
| 公差 , 参见文字 | ||||||||||||
| 径向内部间隙, 圆柱型内孔 , 圆锥型内孔, 无密封件 , 参见文字 | ||||||||||||
| 推荐配合 | ||||||||||||
| 轴和轴承座公差 | ||||||||||||
|
|
||||||||||||
| 主要数据尺寸 | 基本负荷额定值 | 疲劳负荷限值 | 额定速度 | 体积 | 型号 | 适宜的斜挡圈 | ||||||
| 动态 | 静态 | 参照速度 | 限制速度 | 型号 | ||||||||
| d | D | B | C | C0 | Pu | |||||||
|
|
||||||||||||
| mm | kN | kN | r/min | kg | - | - | ||||||
|
|
||||||||||||
| 260 | 480 | 80 | 1170 | 1700 | 156 | 1400 | 2000 | 70,0 | NJ 252 MA | HJ 252 | ||
71455/750轴承 22310-E1-T41A轴承 51196F轴承 6008N轴承 BTM70B/P4CDBB轴承 23126BKD1+H3126轴承 26131/26282D轴承 CF8BUUR轴承 7208AC/DF轴承 CF6B轴承 NJ236-E-M1+HJ236E轴承 07100/204轴承 71915ACD轴承 LM522549轴承 7201C/DF轴承 32026X+T4EC130轴承 R166Z轴承 HM31/600轴承 360KBD031轴承 582/572轴承