
鼎力晟业是SKF进口轴承代理商,不仅为工业配套用户提供SKF NJ238ECMA轴承,在维修市场也提供足够的支持,是SKF轴承在国内的优质经销商之一,购买SKF NJ238ECMA轴承,鼎力晟业是您放心的选择。
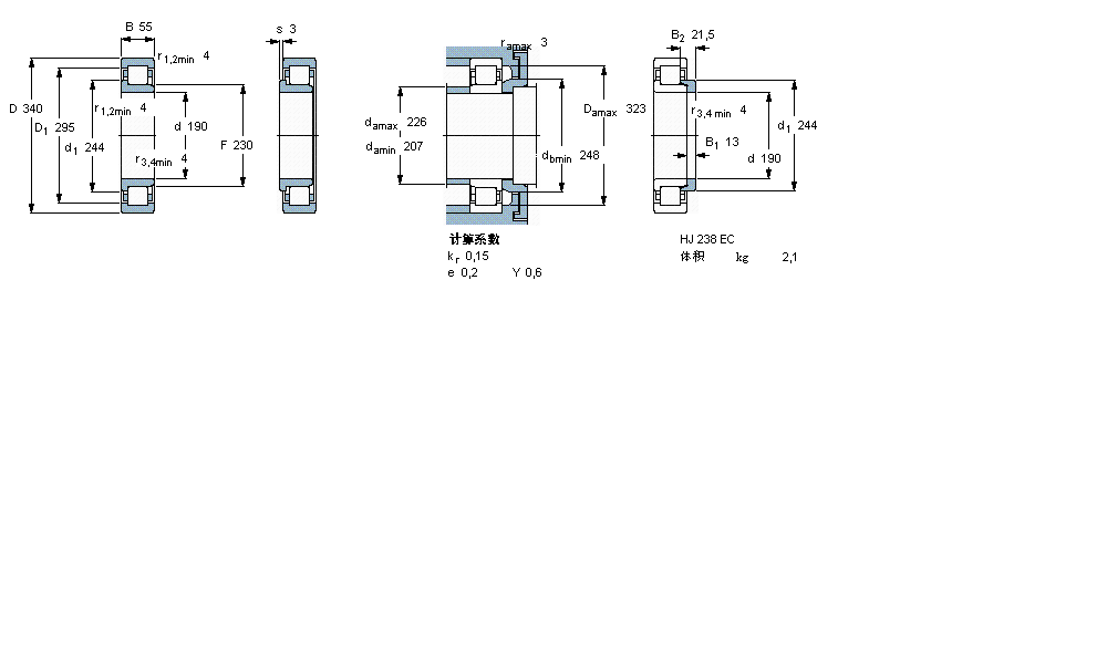
型号:NJ238ECMA
品牌:SKF
内径:190
外径:340
厚度:55
系列:圆柱滚子轴承, 单列, NJ 设计
【
手机版 NJ238ECMA轴承
点击量
更新日期:2021/12/28
】
电话:020-36026999 传真:020-36705678 服务热线:18924187999 邮箱:sales@gzbearing.cn
| 圆柱滚子轴承, 单列, NJ 设计 | ||||||||||||
| 公差 , 参见文字 | ||||||||||||
| 径向内部间隙, 圆柱型内孔 , 圆锥型内孔, 无密封件 , 参见文字 | ||||||||||||
| 推荐配合 | ||||||||||||
| 轴和轴承座公差 | ||||||||||||
|
|
||||||||||||
| 主要数据尺寸 | 基本负荷额定值 | 疲劳负荷限值 | 额定速度 | 体积 | 型号 | 适宜的斜挡圈 | ||||||
| 动态 | 静态 | 参照速度 | 限制速度 | 型号 | ||||||||
| d | D | B | C | C0 | Pu | * - SKF Explorer 轴承 | ||||||
|
|
||||||||||||
| mm | kN | kN | r/min | kg | - | - | ||||||
|
|
||||||||||||
| 190 | 340 | 55 | 800 | 965 | 98 | 2000 | 3000 | 24,5 | NJ 238 ECMA * | HJ 238 EC | ||
2004轴承 SR1-300轴承 RNAO35X47X32-ZW-ASR1轴承 30FC22150A轴承 61817N轴承 626ZZ轴承 6009RU轴承 NK29/20轴承 N330M轴承 47272轴承 61911-2RS轴承 1312轴承 22326CCK/W33+H2326轴承 NN3030K轴承 3216-B-TVH轴承 7226CDF轴承 HJ2305轴承 RCJY45-TV-VA轴承 6220NSL轴承 5584/5535轴承