
购买SKF NJ2307ECP轴承,及NJ2307ECP轴承同系列产品,或者SKF公司其他产品,请联系SKF进口轴承代理-鼎力晟业,我们提供准时高效的服务。
型号:NJ2307ECP
品牌:SKF
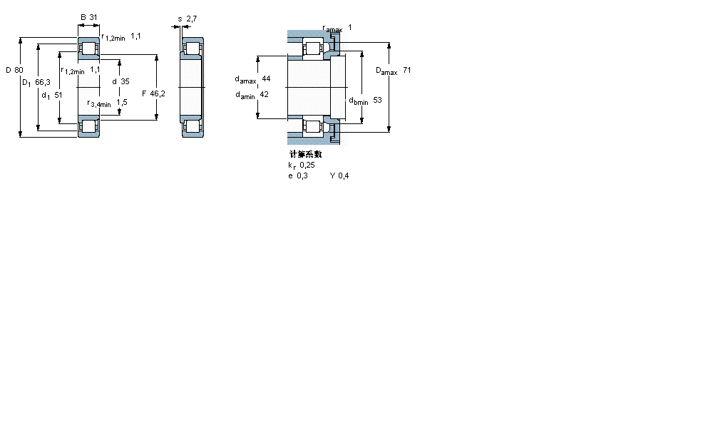
内径:35
外径:80
厚度:31
系列:圆柱滚子轴承, 单列, NJ 设计
【
手机版 NJ2307ECP轴承
点击量
更新日期:2021/12/28
】
电话:020-36026999 传真:020-36705678 服务热线:18924187999 邮箱:sales@gzbearing.cn
| 圆柱滚子轴承, 单列, NJ 设计 | ||||||||||||
| 公差 , 参见文字 | ||||||||||||
| 径向内部间隙, 圆柱型内孔 , 圆锥型内孔, 无密封件 , 参见文字 | ||||||||||||
| 推荐配合 | ||||||||||||
| 轴和轴承座公差 | ||||||||||||
|
|
||||||||||||
| 主要数据尺寸 | 基本负荷额定值 | 疲劳负荷限值 | 额定速度 | 体积 | 型号 | 适宜的斜挡圈 | ||||||
| 动态 | 静态 | 参照速度 | 限制速度 | 型号 | ||||||||
| d | D | B | C | C0 | Pu | * - SKF Explorer 轴承 | ||||||
|
|
||||||||||||
| mm | kN | kN | r/min | kg | - | - | ||||||
|
|
||||||||||||
| 35 | 80 | 31 | 106 | 98 | 12,7 | 9500 | 11000 | 0,73 | NJ 2307 ECP * | - | ||
23284-B-MB轴承 1205轴承 NNU4928-S-M-P5-C3轴承 7209BEGAP轴承 5203NAS轴承 LRTZ10011541轴承 463/750轴承 SNL3180F轴承 RNA6912UU轴承 47T805641轴承 23252RHAKW33轴承 7908A5DT轴承 IRT1012-1轴承 4138-AW轴承 6305-RS轴承 51108V/HR11T1轴承 NKXR40Z轴承 NA49/32轴承 HM807035/HM807010轴承 CRH16VUU轴承