
SKF NJ228ECM轴承是鼎力晟业长期代理的产品,鼎力晟业与SKF公司具有长期的NJ228ECM轴承采购计划,可以为国内用户提供足够数量的SKF NJ228ECM轴承,让您的工厂无忧运转。
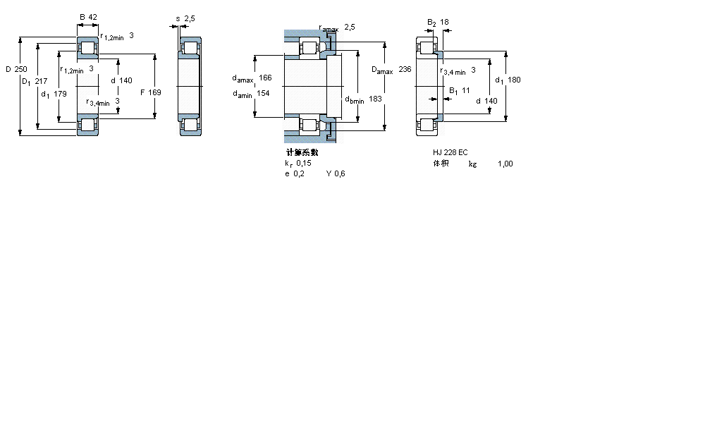
型号:NJ228ECM
品牌:SKF
内径:140
外径:250
厚度:42
系列:圆柱滚子轴承, 单列, NJ 设计
【
手机版 NJ228ECM轴承
点击量
更新日期:2021/12/28
】
电话:020-36026999 传真:020-36705678 服务热线:18924187999 邮箱:sales@gzbearing.cn
| 圆柱滚子轴承, 单列, NJ 设计 | ||||||||||||
| 公差 , 参见文字 | ||||||||||||
| 径向内部间隙, 圆柱型内孔 , 圆锥型内孔, 无密封件 , 参见文字 | ||||||||||||
| 推荐配合 | ||||||||||||
| 轴和轴承座公差 | ||||||||||||
|
|
||||||||||||
| 主要数据尺寸 | 基本负荷额定值 | 疲劳负荷限值 | 额定速度 | 体积 | 型号 | 适宜的斜挡圈 | ||||||
| 动态 | 静态 | 参照速度 | 限制速度 | 型号 | ||||||||
| d | D | B | C | C0 | Pu | * - SKF Explorer 轴承 | ||||||
|
|
||||||||||||
| mm | kN | kN | r/min | kg | - | - | ||||||
|
|
||||||||||||
| 140 | 250 | 42 | 450 | 510 | 57 | 2800 | 3200 | 8,75 | NJ 228 ECM * | HJ 228 EC | ||
3220A轴承 6214Z轴承 2878/2820轴承 HR32208J轴承 7206B/DT轴承 2×7313BEGAF轴承 6003轴承 CR30BR轴承 53309轴承 22206EK+H306轴承 7308B/DF轴承 NU1060轴承 6805VV轴承 609-2RSR轴承 NJ311ET轴承 HK3012轴承 IR30X35X30轴承 ZARN4580TN轴承 6002-2RSH轴承 GY1107-KRR-B-AS2/V轴承