
SKF进口轴承代理鼎力晟业为用户提供高品质的NJ2230ECM轴承,无论是工业配套还是维修市场,用户都可以在这里找到货期最短的SKF NJ2230ECM轴承,确保您的不间断生产。
型号:NJ2230ECM
品牌:SKF
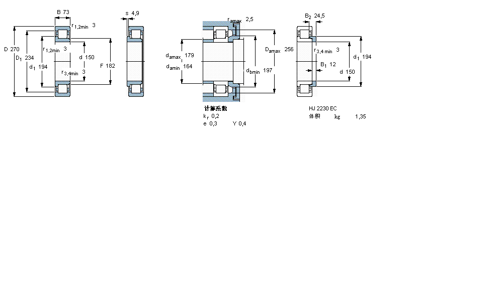
内径:150
外径:270
厚度:73
系列:圆柱滚子轴承, 单列, NJ 设计
【
手机版 NJ2230ECM轴承
点击量
更新日期:2021/12/28
】
电话:020-36026999 传真:020-36705678 服务热线:18924187999 邮箱:sales@gzbearing.cn
| 圆柱滚子轴承, 单列, NJ 设计 | ||||||||||||
| 公差 , 参见文字 | ||||||||||||
| 径向内部间隙, 圆柱型内孔 , 圆锥型内孔, 无密封件 , 参见文字 | ||||||||||||
| 推荐配合 | ||||||||||||
| 轴和轴承座公差 | ||||||||||||
|
|
||||||||||||
| 主要数据尺寸 | 基本负荷额定值 | 疲劳负荷限值 | 额定速度 | 体积 | 型号 | 适宜的斜挡圈 | ||||||
| 动态 | 静态 | 参照速度 | 限制速度 | 型号 | ||||||||
| d | D | B | C | C0 | Pu | * - SKF Explorer 轴承 | ||||||
|
|
||||||||||||
| mm | kN | kN | r/min | kg | - | - | ||||||
|
|
||||||||||||
| 150 | 270 | 73 | 735 | 930 | 100 | 2600 | 2800 | 18,7 | NJ 2230 ECM * | HJ 2230 EC | ||
NU1028ECM轴承 260TMP12轴承 7304AC/DT轴承 81107轴承 7215ACD/P4A轴承 2209K.2RS.TV.C3+H309轴承 51118轴承 CR17X29X5HMSA10V轴承 NUP410ECM轴承 53316+U316轴承 PTUE35-TV-FA125.5轴承 6222-RS轴承 NUP2306-E-TVP2轴承 EGB0505-E40-B轴承 NA4907轴承 N222-E-TVP2轴承 HM259049D/HM259010轴承 563X轴承 FYRP3H-3轴承 NUP2226ECML轴承