
NJ2207ECJ轴承是SKF公司同时面向工业配套和维修市场的产品,鼎力晟业同时代理此两项业务,不仅为批量采购的用户提供优惠的SKF NJ2207ECJ轴承,同时也为零散采购用户提供价格优惠的及时供货服务。
型号:NJ2207ECJ
品牌:SKF
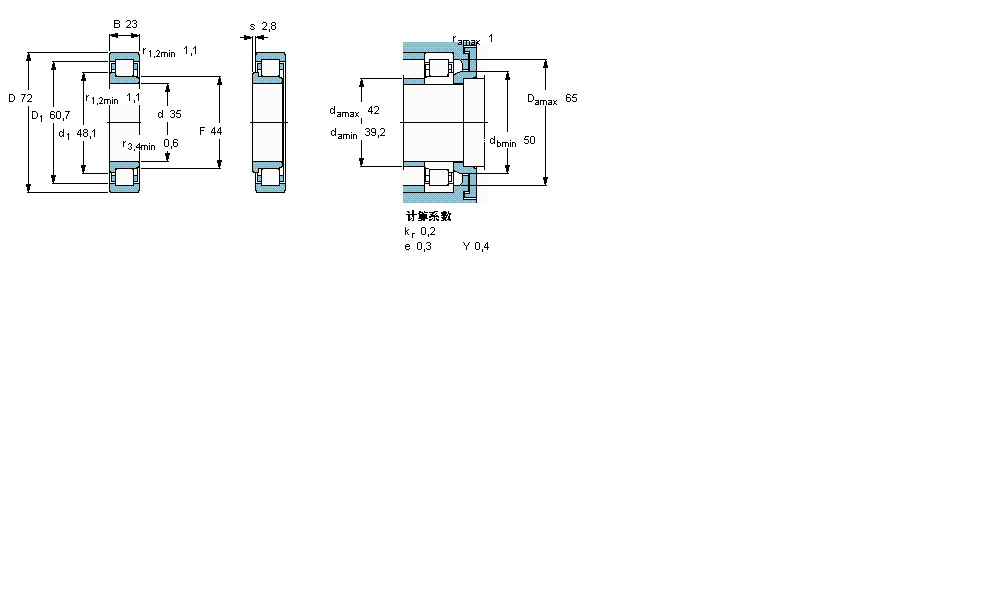
内径:35
外径:72
厚度:23
系列:圆柱滚子轴承, 单列, NJ 设计
【
手机版 NJ2207ECJ轴承
点击量
更新日期:2021/12/28
】
电话:020-36026999 传真:020-36705678 服务热线:18924187999 邮箱:sales@gzbearing.cn
| 圆柱滚子轴承, 单列, NJ 设计 | ||||||||||||
| 公差 , 参见文字 | ||||||||||||
| 径向内部间隙, 圆柱型内孔 , 圆锥型内孔, 无密封件 , 参见文字 | ||||||||||||
| 推荐配合 | ||||||||||||
| 轴和轴承座公差 | ||||||||||||
|
|
||||||||||||
| 主要数据尺寸 | 基本负荷额定值 | 疲劳负荷限值 | 额定速度 | 体积 | 型号 | 适宜的斜挡圈 | ||||||
| 动态 | 静态 | 参照速度 | 限制速度 | 型号 | ||||||||
| d | D | B | C | C0 | Pu | * - SKF Explorer 轴承 | ||||||
|
|
||||||||||||
| mm | kN | kN | r/min | kg | - | - | ||||||
|
|
||||||||||||
| 35 | 72 | 23 | 69,5 | 63 | 8,15 | 11000 | 12000 | 0,41 | NJ 2207 ECJ * | - | ||
FCJS-26轴承 61912-Z轴承 624轴承 CR32X44X7HMS5V轴承 AS120155轴承 23028AXK轴承 6220轴承 MF-4516轴承 7213CDB轴承 GE8-UK轴承 GTR385230轴承 466952轴承 23038R轴承 12168/303轴承 32026X/32026X轴承 BSB060120-T轴承 RNA4903RS轴承 6217-Z轴承 RASEY90轴承 NU2315-E-TVP2轴承