
SKF进口轴承代理鼎力晟业为用户提供高品质的NJ207ECM轴承,无论是工业配套还是维修市场,用户都可以在这里找到货期最短的SKF NJ207ECM轴承,确保您的不间断生产。
型号:NJ207ECM
品牌:SKF
内径:35
外径:72
厚度:17
系列:圆柱滚子轴承, 单列, NJ 设计
【
手机版 NJ207ECM轴承
点击量
更新日期:2021/12/28
】
电话:020-36026999 传真:020-36705678 服务热线:18924187999 邮箱:sales@gzbearing.cn
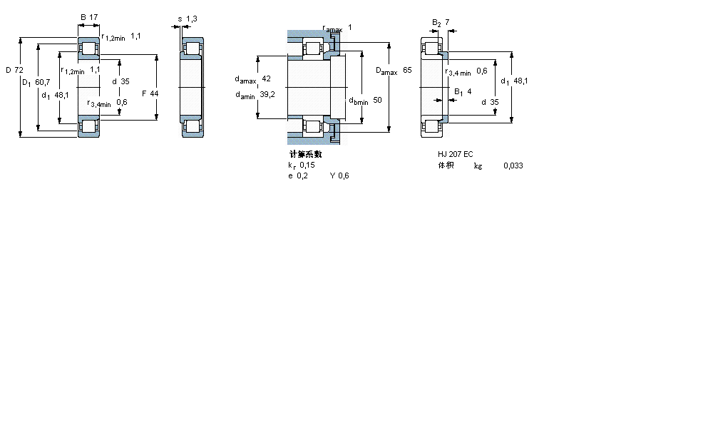
| 圆柱滚子轴承, 单列, NJ 设计 | ||||||||||||
| 公差 , 参见文字 | ||||||||||||
| 径向内部间隙, 圆柱型内孔 , 圆锥型内孔, 无密封件 , 参见文字 | ||||||||||||
| 推荐配合 | ||||||||||||
| 轴和轴承座公差 | ||||||||||||
|
|
||||||||||||
| 主要数据尺寸 | 基本负荷额定值 | 疲劳负荷限值 | 额定速度 | 体积 | 型号 | 适宜的斜挡圈 | ||||||
| 动态 | 静态 | 参照速度 | 限制速度 | 型号 | ||||||||
| d | D | B | C | C0 | Pu | * - SKF Explorer 轴承 | ||||||
|
|
||||||||||||
| mm | kN | kN | r/min | kg | - | - | ||||||
|
|
||||||||||||
| 35 | 72 | 17 | 56 | 48 | 6,1 | 11000 | 12000 | 0,34 | NJ 207 ECM * | HJ 207 EC | ||
7021C/DB轴承 NJ2320+HJ2320轴承 UCP217轴承 6575/6535-B轴承 61921轴承 RSTO8TN轴承 71909CD/P4A轴承 PB30轴承 7040DB轴承 PASE30-N-FA125轴承 2×7310BECBJ轴承 SL014952轴承 1207KTV+H207轴承 23980K轴承 6221Z轴承 6017N轴承 29268E轴承 NU248轴承 46234轴承 6006NR轴承