
NJ1880MP轴承是SKF公司同时面向工业配套和维修市场的产品,鼎力晟业同时代理此两项业务,不仅为批量采购的用户提供优惠的SKF NJ1880MP轴承,同时也为零散采购用户提供价格优惠的及时供货服务。
型号:NJ1880MP
品牌:SKF
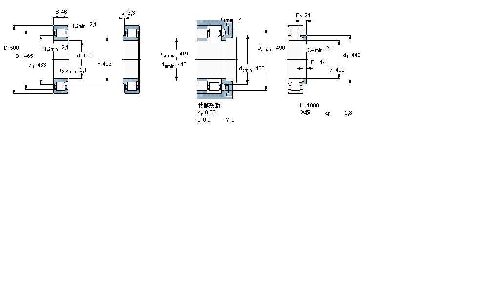
内径:400
外径:500
厚度:46
系列:圆柱滚子轴承, 单列, NJ 设计
【
手机版 NJ1880MP轴承
点击量
更新日期:2021/12/28
】
电话:020-36026999 传真:020-36705678 服务热线:18924187999 邮箱:sales@gzbearing.cn
| 圆柱滚子轴承, 单列, NJ 设计 | ||||||||||||
| 公差 , 参见文字 | ||||||||||||
| 径向内部间隙, 圆柱型内孔 , 圆锥型内孔, 无密封件 , 参见文字 | ||||||||||||
| 推荐配合 | ||||||||||||
| 轴和轴承座公差 | ||||||||||||
|
|
||||||||||||
| 主要数据尺寸 | 基本负荷额定值 | 疲劳负荷限值 | 额定速度 | 体积 | 型号 | 适宜的斜挡圈 | ||||||
| 动态 | 静态 | 参照速度 | 限制速度 | 型号 | ||||||||
| d | D | B | C | C0 | Pu | |||||||
|
|
||||||||||||
| mm | kN | kN | r/min | kg | - | - | ||||||
|
|
||||||||||||
| 400 | 500 | 46 | 572 | 1180 | 100 | 1300 | 1900 | 21,8 | NJ 1880 MP | HJ 1880 | ||
SDAF23284轴承 51309轴承 2739/2735X轴承 7230ADT轴承 30212CR轴承 CFE20-1VUU轴承 31313A轴承 NJ311R轴承 7214CDF轴承 NJ410轴承 BCE2020轴承 32948轴承 89422M轴承 LRT354030轴承 2201轴承 NJ230EC+HJ230EC轴承 NUP2334轴承 NU410轴承 7224ADB轴承 2216E轴承